EasyManua.ls Logo

Trane Technologies VariTrane VCEF - Fan Powered, Single Phase, 1 Leg, 2 Stages Wiring

Default Icon
64 pages
Print Icon
To Next Page IconTo Next Page
To Next Page IconTo Next Page
To Previous Page IconTo Previous Page
To Previous Page IconTo Previous Page
Loading...
46
VAV-SVX08U-EN
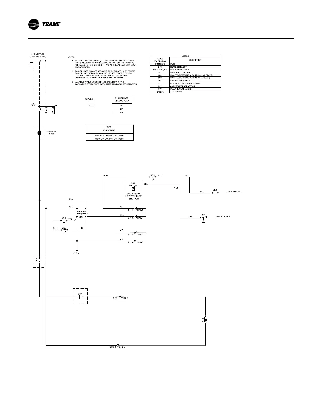
Figure 32. Single duct, single phase, 1 leg
WWiirriinngg DDiiaaggrraammss

Related product manuals