EasyManua.ls Logo

Trane 2MCC05-C - Page 55

Trane 2MCC05-C
80 pages
Print Icon
To Next Page IconTo Next Page
To Next Page IconTo Next Page
To Previous Page IconTo Previous Page
To Previous Page IconTo Previous Page
Loading...
MS-SVN056C-EN 55
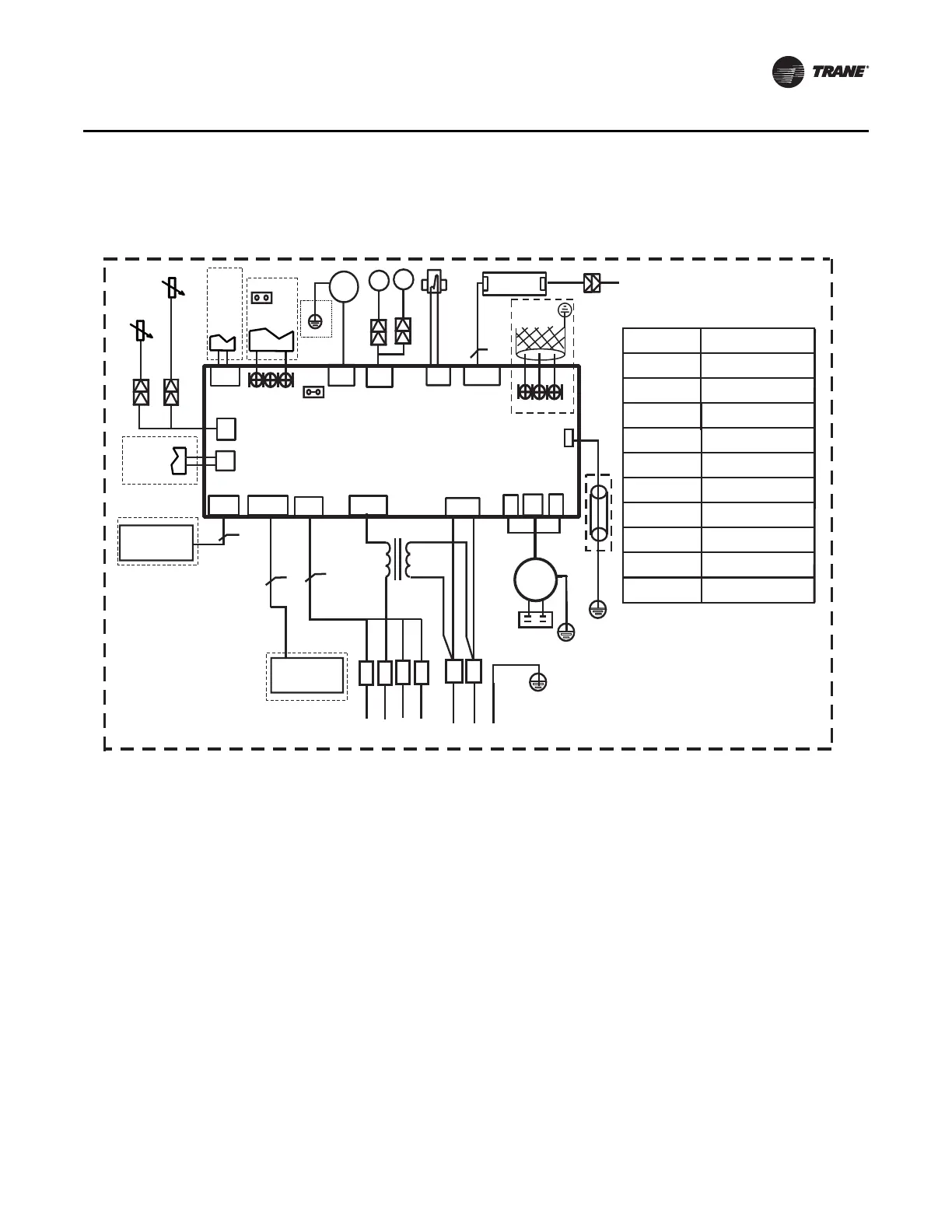
Wiring Diagrams
Cassette Indoor Unit - Cooling Only/Heat Pump - 2MCC05-C (36, 48K)
)$1
0$,1 %2$5'
<*
&1
&1
&1
&1
&1
3803
0
72:,5(&21752//(5
3
.
',63/$<%2$5'
&1
((525
287387
212))
%/8(
7
7
:+,7(
%/$&.
;3
;6
;3
;6
7
<*
&1
CN23
&1
To CC M
Comm.Bus
;
<
(
&1
&1
5('
&1
1(:)$1

212))
-5
-5
/
1
%/8(
5('
&1
*5((1
5('%52:1
<(//2
N1
C1
32:(5
;3
;6
72287'22581,7
,1'225:,5,1*',$*5$0
&2'(
1$0(
&$3
.
3803
7
0
)$1
7
,1'225)$1&$3$&,725
:$7(5/(9(/6:,7&+
3803
6:,1*02725
3&%62&.(76
;3;3
,1'225)$1
&1
;6;6
&211(&725
52207(036(1625
3,3(7(036(1625
&211(&725
&1
&15('
72*283$1'
'2:1%2$5'
726:,1*
%2$5'
0
<*
3
3
%52:1
%/$&.
:+,7(
:+,7(
&$3
%/8(
F1
V1
*5((1%/$&.

Related product manuals