EasyManua.ls Logo

Trane 2MCC05-C - Page 56

Trane 2MCC05-C
80 pages
Print Icon
To Next Page IconTo Next Page
To Next Page IconTo Next Page
To Previous Page IconTo Previous Page
To Previous Page IconTo Previous Page
Loading...
56 MS-SVN056C-EN
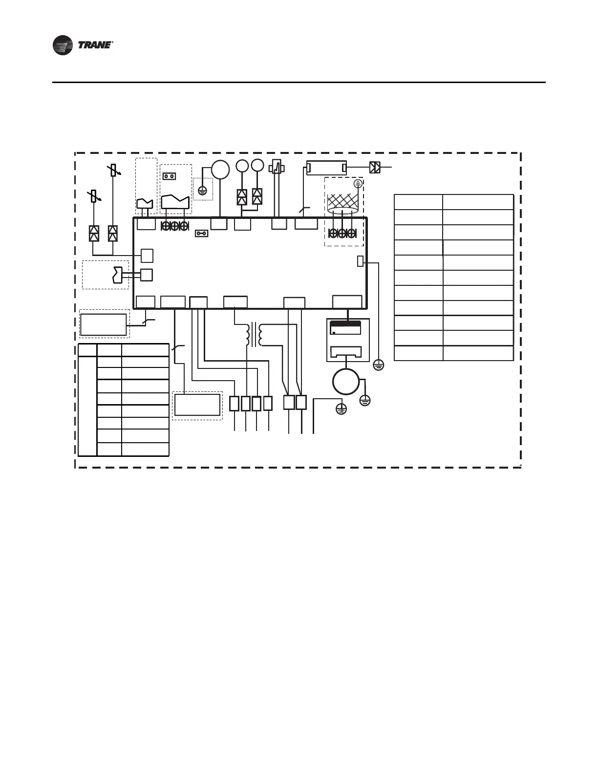
Wiring Diagrams
Cassette Indoor Unit - Cooling Only/Heat Pump - 2MCC05-C (60K)
)$1
0$,1 %2$5'
<*
&1
&1
&1
&1
&1
3803
0
72:,5(&21752//(5
3
.
',63/$<%2$5'
&1
((525
287387
212))
%/8(
7
7
:+,7(
%/$&.
;3
;6
;3
;6
7
<*
&1
CN23
&1
To CC M
Comm.Bus
;
<
(
&1
&1
5('
&1
1(:)$1

212))
-5
-5
/
1
%/8(
5('
&1
*5((1
5('
<(//2
N1
C1
%/8(
32:(5
6833/<
;3
;6
*5((1
F1
V1
72287'22581,7
,1'225:,5,1*',$*5$0
&2'(
1$0(
&$3
.
3803
7
0
)$1
7
,1'225)$1&$3$&,725
:$7(5/(9(/6:,7&+
3803
6:,1*02725
3&%62&.(76
;3;3
,1'225)$1
&1
;6;6
&211(&725
52207(036(1625
3,3(7(036(1625
&211(&725
&1
&15('
72*283$1'
'2:1%2$5'
726:,1*
%2$5'
0
<*
DC MOTOR
DRIVER MODLE
CN13
CN3
::+3
::δ+3ε
::δ+3ε
::δ+3ε
::δ+3ε
180%(5
SWITCHENC1
(FOR POWER)
32:(5
$
::+3
&
::

Related product manuals