EasyManua.ls Logo

Trane 2MCC05-C - Page 57

Trane 2MCC05-C
80 pages
Print Icon
To Next Page IconTo Next Page
To Next Page IconTo Next Page
To Previous Page IconTo Previous Page
To Previous Page IconTo Previous Page
Loading...
MS-SVN056C-EN 57
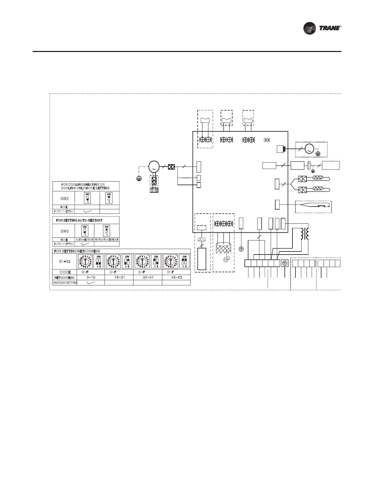
Wiring Diagrams
Concealed Indoor Unit - 4MZD05-C (18, 24, 48, 60K)
0
8
4
1
2
3
5
6
7
C
9
A
B
D
E
F
1
2
ON
0
8
4
1
2
3
5
6
7
C
9
A
B
D
E
F
1
2
ON
0
8
4
1
2
3
5
6
7
C
9
A
B
D
E
F
1
2
ON
0
8
4
1
2
3
5
6
7
C
9
A
B
D
E
F
1
2
ON
S1+S2
0~F 0~F 0~F 0
~F
NETADDRESS
CODE
0~15
16~31
32~47
48~63
FACTORYSETTING
FOR SETTING NETADDRESS
1
ON
1
ON
FACTORY SETTING
FOR SETTING A UTO-RESTARTFOR SETTING A UTO-RESTART
SW3
MODE
AUTO-RESTART
NOT AUTO-RESTART
INDOOR UNIT
MAINBOARD
CN33
ALARM
Alarm
Output
T2
T1
CN6
4
BLACK
WHITE
INDOOR COIL TEMP. SENSOR
ROOM TEMP. SENSOR
CN5
WATER LEVEL SWITCH
J7
CN23
ON/OFF
Remote
Control
ACFAN
CAP
Y/G
WHITE
WHITE
(GRAY)
CN4
P1
P2
BLACK
BROWN
M
5
3
NOTE:
1.The parts with dotted line indicates
optional features.
2.Remove the short connector of J7
when you use the "on-off" function.
CN43
FAN FOR THE
FRESH AIR
OR ANION
GENERATOR
CN9
X Y E
To CCM
Comm.Bus
Y/G
CN18
RED
CN2
CN1
BLACK
L
N
C1
CN111
CN25
RED
TO OUTDOOR UNIT
N1
BLUE
GREEN
YELLOW
TRANSFORMER
POWER
24V
V1 F1
3
BLACK
BROWN
BLUE
DISPLAY
BOARD
WIRE
CONTROLLER
10
CN10
5
MAGNETIC RING
CN13
M
PUMP
2
Y/G
CN40
WIRE
CONTROLLER
4
MAGNETIC RING
1
ON
1
ON
FACTORY SETTING
FOR COOLING&HEATING OR
C
OOLING ONLY MODE SETTING
SW2
MODE
COOLING&HEATING
COOLING ONLY
C1
TO OUTDOOR UNIT
N1 V1 F1
COOLING&HEATING
COOLING ONLY
C1
TO OUTDOOR UNIT
N1 V1 F1
Y/G

Related product manuals