EasyManua.ls Logo

Trane 2MCC05-C - Page 73

Trane 2MCC05-C
80 pages
Print Icon
To Next Page IconTo Next Page
To Next Page IconTo Next Page
To Previous Page IconTo Previous Page
To Previous Page IconTo Previous Page
Loading...
MS-SVN056C-EN 73
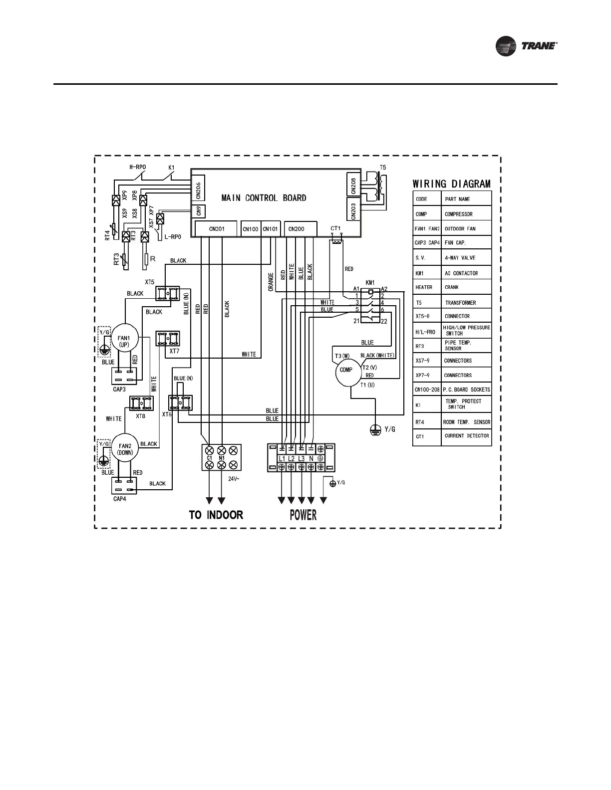
Wiring Diagrams
Outdoor Unit - Cooling Only - 4TTK05-D (60K) - 3 Phase

Related product manuals