EasyManua.ls Logo

Trane 4DCY4048 - Unit Installation Procedures (continued); Rooftop Installation - Frame Mounting; Rooftop Installation - Flat Roof;No Curb

Trane 4DCY4048
25 pages
Print Icon
To Next Page IconTo Next Page
To Next Page IconTo Next Page
To Previous Page IconTo Previous Page
To Previous Page IconTo Previous Page
Loading...
13
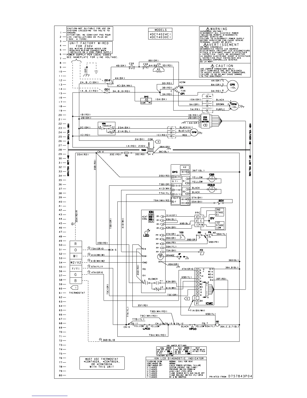
Typical Wiring

Other manuals for Trane 4DCY4048

Related product manuals