EasyManua.ls Logo

Trane 4MXW5-A - Wiring Diagrams

Trane 4MXW5-A
24 pages
Print Icon
To Next Page IconTo Next Page
To Next Page IconTo Next Page
To Previous Page IconTo Previous Page
To Previous Page IconTo Previous Page
Loading...
Wiring Diagrams
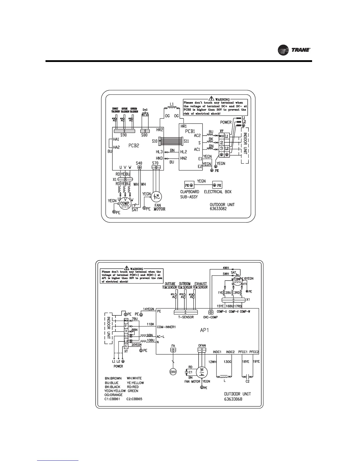
Figure 4. 4TXK5509A1 4TXK5512A1 (Heat pump outdoor units)
Figure 5 . 4TYK5518A1 4TYK5524A1 (Cooling only outdoor units)
MS-SVN22A-EN 19

Related product manuals