EasyManua.ls Logo

Trane 4MXW5-A - Page 20

Trane 4MXW5-A
24 pages
Print Icon
To Next Page IconTo Next Page
To Next Page IconTo Next Page
To Previous Page IconTo Previous Page
To Previous Page IconTo Previous Page
Loading...
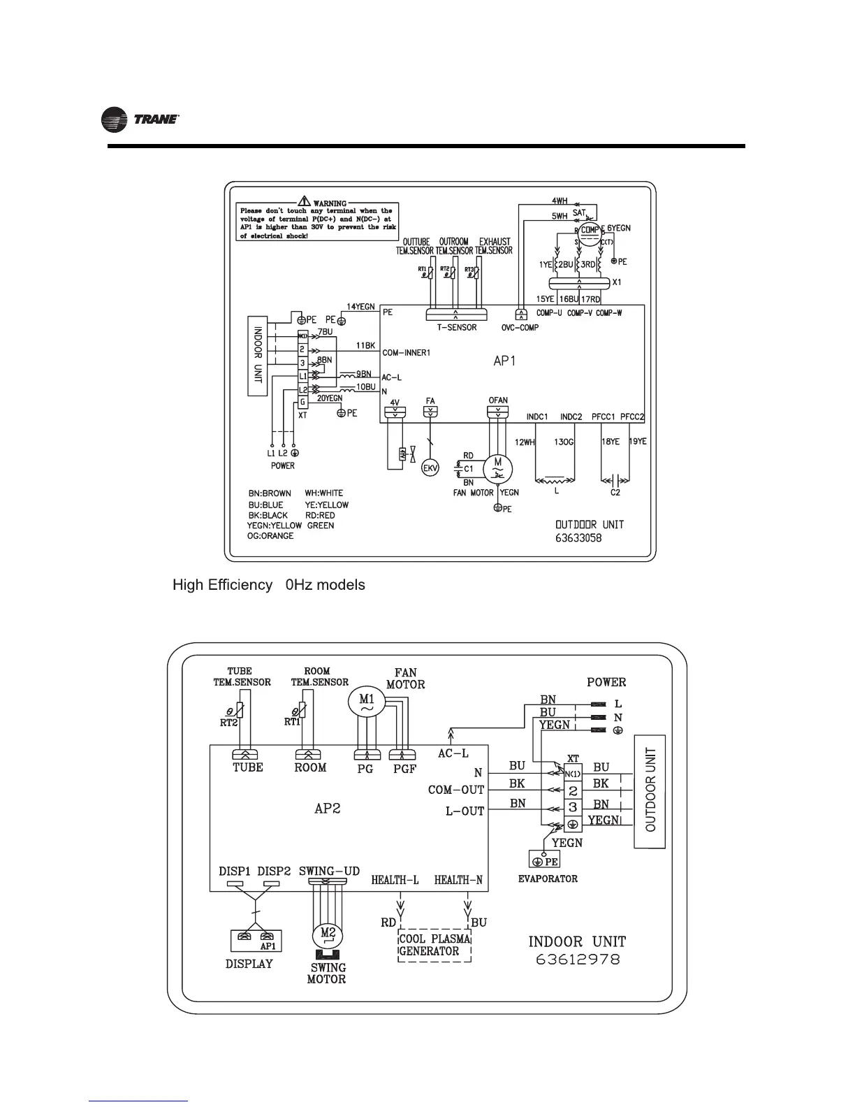
Wiring Diagrams
Figure 6 . 4TXK5518A1 4TXK5524A1 (Heat pump outdoor units)
MS-SVN22A-EN20
Figure7. 4MXW5509AB 4MXW5512AB (Heat pump indoor units)
4MYW5509AB 4MYW5512AB (Cooling only indoor units)

Related product manuals