EasyManua.ls Logo

Trane 4MXW5-A - Page 21

Trane 4MXW5-A
24 pages
Print Icon
To Next Page IconTo Next Page
To Next Page IconTo Next Page
To Previous Page IconTo Previous Page
To Previous Page IconTo Previous Page
Loading...
Wiring Diagrams
MS-SVN23A-EN2
21
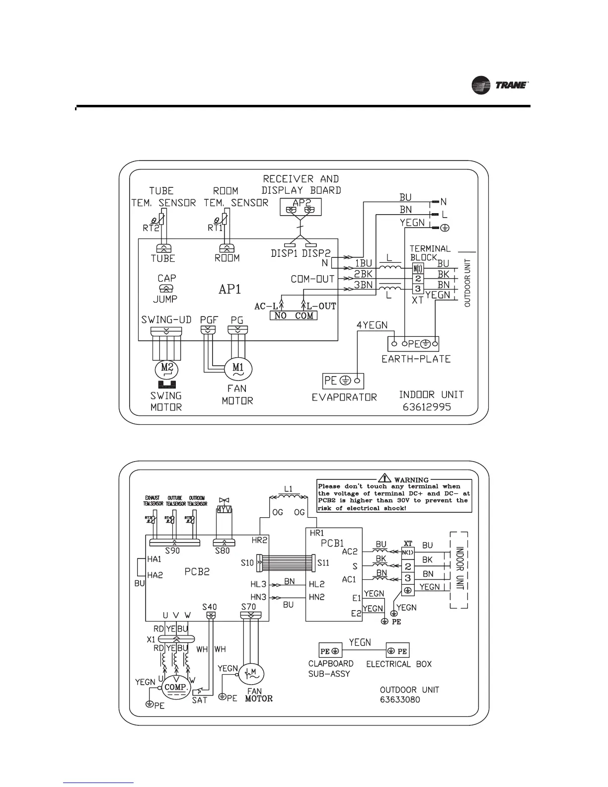
Figure8. 4MXW5518AB 4MXW5524AB (Heat pump indoor units)
4MYW5518AB 4MYW5524AB (Cooling only indoor units)
Figure9. 4TXK5509AB 4TXK5512AB (Heat pump outdoor units)

Related product manuals