EasyManua.ls Logo

Trane A5AC3018A - Section 17. Wiring Diagrams

Trane A5AC3018A
27 pages
Print Icon
To Next Page IconTo Next Page
To Next Page IconTo Next Page
To Previous Page IconTo Previous Page
To Previous Page IconTo Previous Page
Loading...
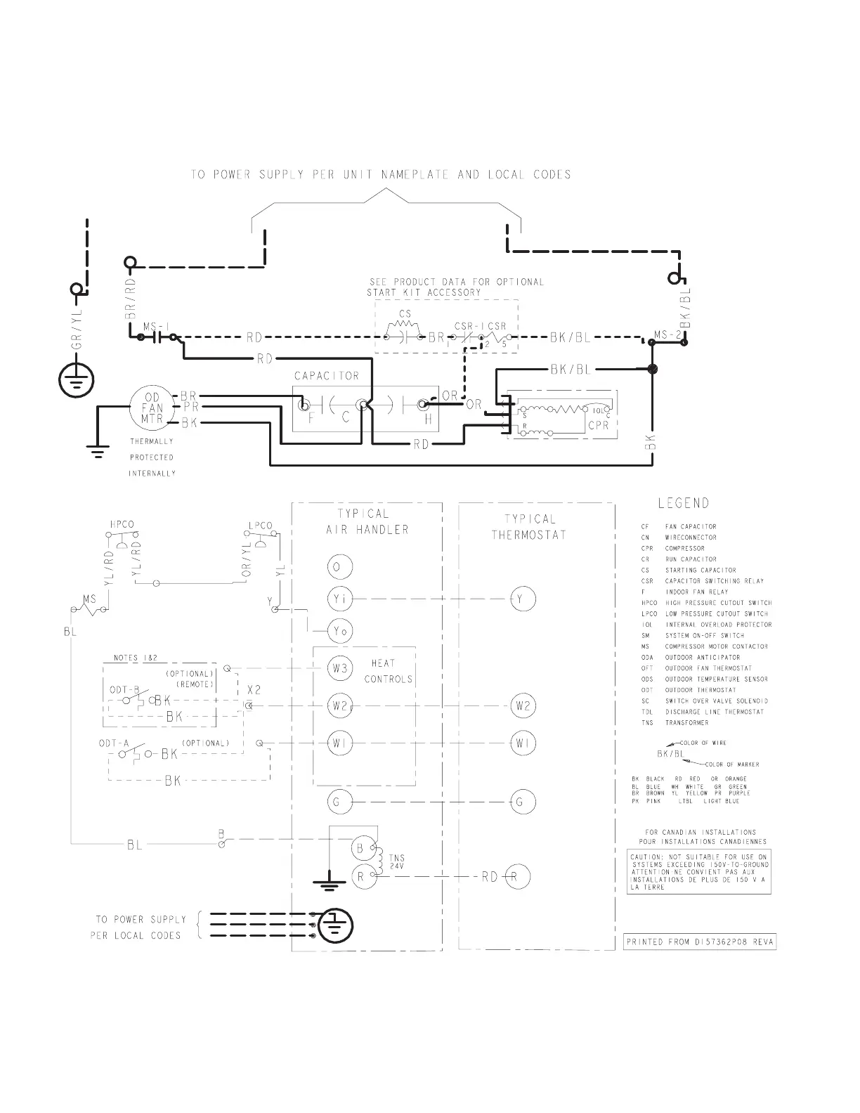
Section 17. Wiring Diagrams
018 - 048 Models
88-A5AC3001-1A-EN 21

Related product manuals