EasyManua.ls Logo

Trane A5AC5018A - Electrical Wiring Schematics by Model; Wiring Diagrams for 018 - 048 Models

Trane A5AC5018A
28 pages
Print Icon
To Next Page IconTo Next Page
To Next Page IconTo Next Page
To Previous Page IconTo Previous Page
To Previous Page IconTo Previous Page
Loading...
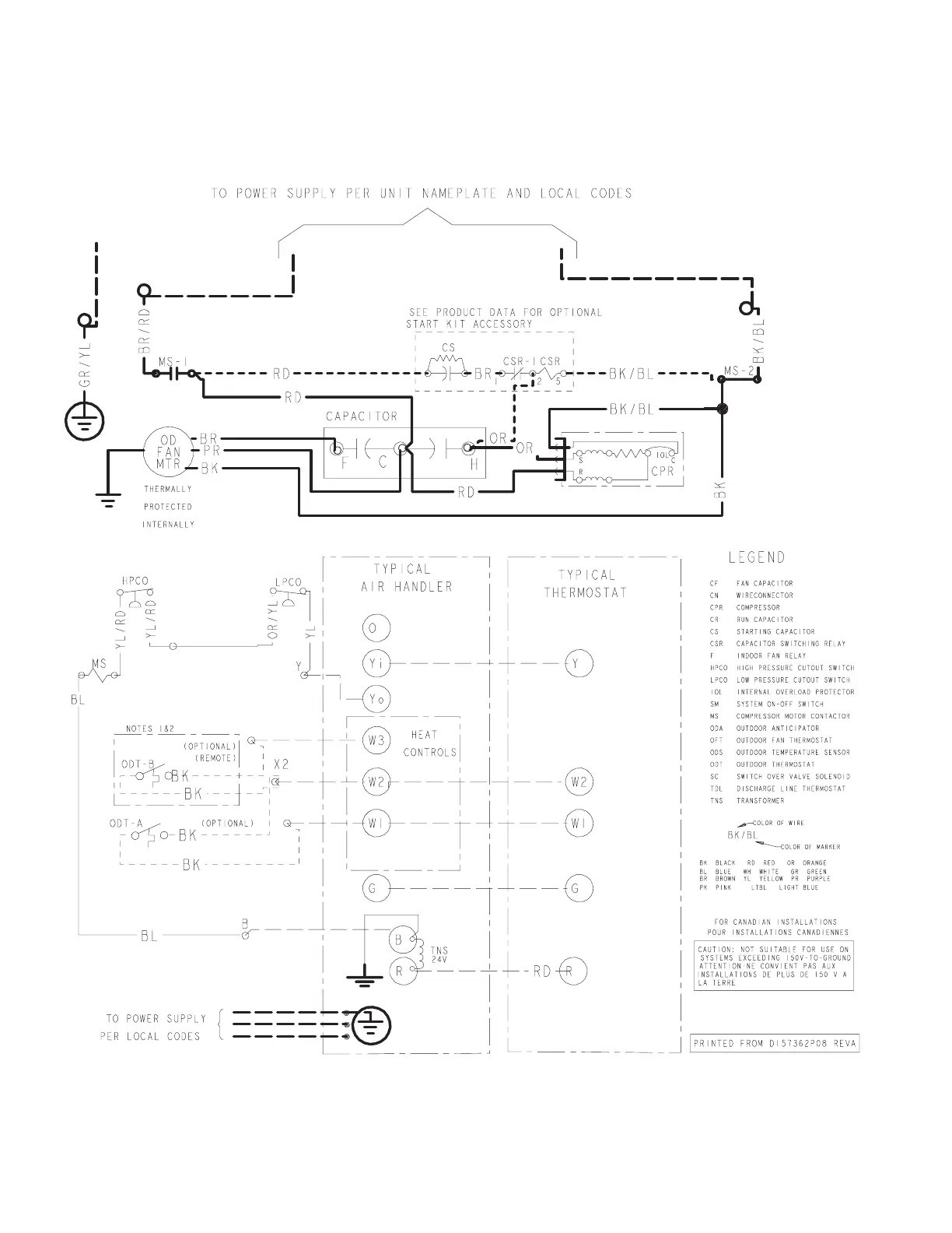
Section 17. Wiring Diagrams
018 - 048 Models
22
88-A5AC5001-1A-EN

Related product manuals