EasyManua.ls Logo

Trane CCUF - Page 23

Trane CCUF
53 pages
Print Icon
To Next Page IconTo Next Page
To Next Page IconTo Next Page
To Previous Page IconTo Previous Page
To Previous Page IconTo Previous Page
Loading...
Page 23
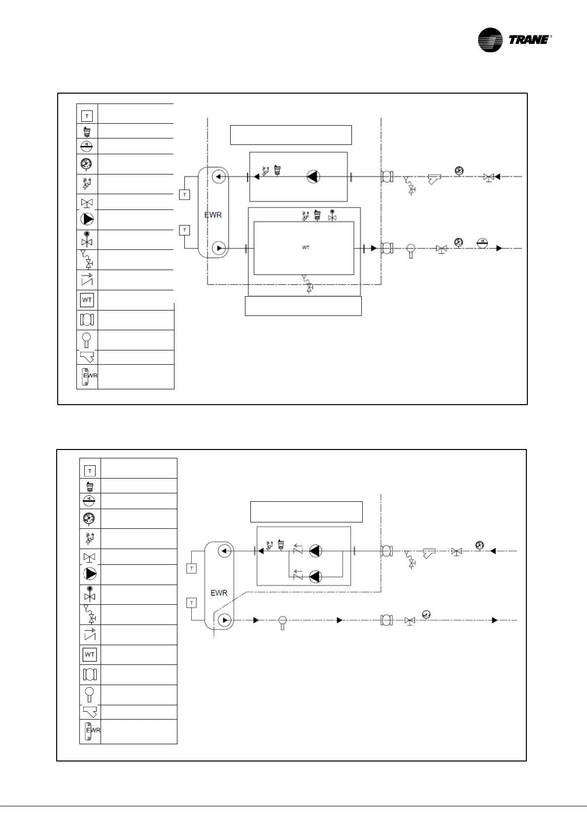
Figure 13
Figure 14
7.4.3
Hydraulic diagram for CCUF units and hydraulic module with 1 pump and tank
7.4.4
Hydraulic diagram for CCUF units and hydraulic module with 2 pumps without tank
Temperature
Probe drafted
Relief Valve
Expansion Vessel
Gauges
Safety Valve (6
bar)
Shut Off Valve
Pump
Water Charge
Water Discharge
Check Valve
Water Tank
Flexible joint
Flow Switch
Filter
User Heat
Exchanger
Temperature
Probe drafted
Relief Valve
Expansion Vessel
Gauges
Safety Valve (6
bar)
Shut Off Valve
Pump
Water Charge
Water Discharge
Check Valve
Water Tank
Flexible joint
Flow Switch
Filter
User Heat
Exchanger
Remote Connections
at customer care
Plant side
REMARKS:
1
apply the flow switch in a straight pipe far from filters, valves, etc. with length
at least 5 times the diameter of pipe upstream and downstream the unit
2: the connection of the unit to the hydraulic modules is at customer care
REMARKS:
1
apply the flow switch in a straight pipe far from filters, valves, etc. with length
at least 5 times the diameter of pipe upstream and downstream the unit
2: the connection of the unit to the hydraulic modules is at customer care
Remote Connections
at customer care
Plant side
Dual pump hydraulic kit
Single pump hydraulic kit
Water tank hydraulic kit

Related product manuals