EasyManua.ls Logo

Trane EXWA - Page 13

Trane EXWA
31 pages
Print Icon
To Next Page IconTo Next Page
To Next Page IconTo Next Page
To Previous Page IconTo Previous Page
To Previous Page IconTo Previous Page
Loading...
WSHP-SVX02A-EN 13
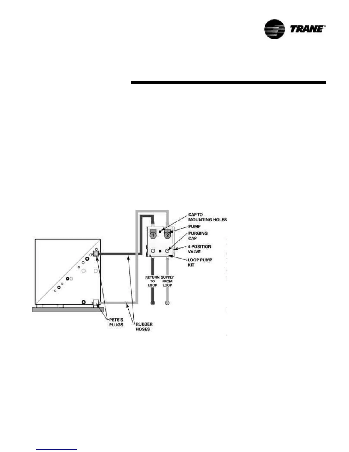
Supply/Return Pipe Connections
to the Loop Pump Kit
(1) Connect the supply and return hos-
es to the water-inlet (from supply) and
water-outlet (to return) of the unit. The
rubber gaskets for the water-in and
water-out connections are located in
the control box. These gaskets require
field installation prior to connecting
the water piping to the unit.
(2) Hand tighten the 1" FPT brass swiv-
el quick connections to the 1" MPT
adapter with P/T ports. Using a
wrench, tighten the adapter approxi-
mately 1/2 additional turn. Care must
be taken to avoid overtightening as to
not dislodge the snap ring.
(3) The water lines should be routed
not to interfere with access to the unit.
The use of a short length of high pres-
sure hose with the swivel fitting may
simplify the connections and prevent
vibration. Pressure/Temperature (P/T)
ports are required for troubleshooting
the hydronic side of the unit. Extreme
care should be taken by the installing
contractor to prevent dirt or other for-
eign matter from entering the pipes or
piping components during construc-
tion. Pipes should be capped until they
are in place and ready to be connected
to the system.
(4) Install the Trane loop pump mod-
ule. See installation manual WSHPC-
IN-5 or 72-9006-03 for instructions. If
the unit does not contain a Trane loop
pump module, two ball valves must be
installed between the unit and the
loop’s water pump to isolate the unit
from the system’s water loop during
maintenance and emergency situa-
tions. See Figure 7.
If the unit s contain a Trane loop pump
module, shut-off valves are supplied
by the manufacturer within the pump
module assembly.
(5) Connect the unit’s water-in and wa-
ter-out hose to the loop pump module.
(6) The pumps connect to the load side
230 volt compressor contactor, and re-
quire a field installed 6 amp in-line
fuse and holder.
(7) Insulate all indoor piping. Equip-
ment is designed to operate with fluid
temperature of 25ºF to 120ºF
Installation
Figure 7: Loop pump kit installation

Related product manuals