EasyManua.ls Logo

Trane EXWA - Page 30

Trane EXWA
31 pages
Print Icon
To Next Page IconTo Next Page
To Next Page IconTo Next Page
To Previous Page IconTo Previous Page
To Previous Page IconTo Previous Page
Loading...
30 WSHP-SVX02A-EN
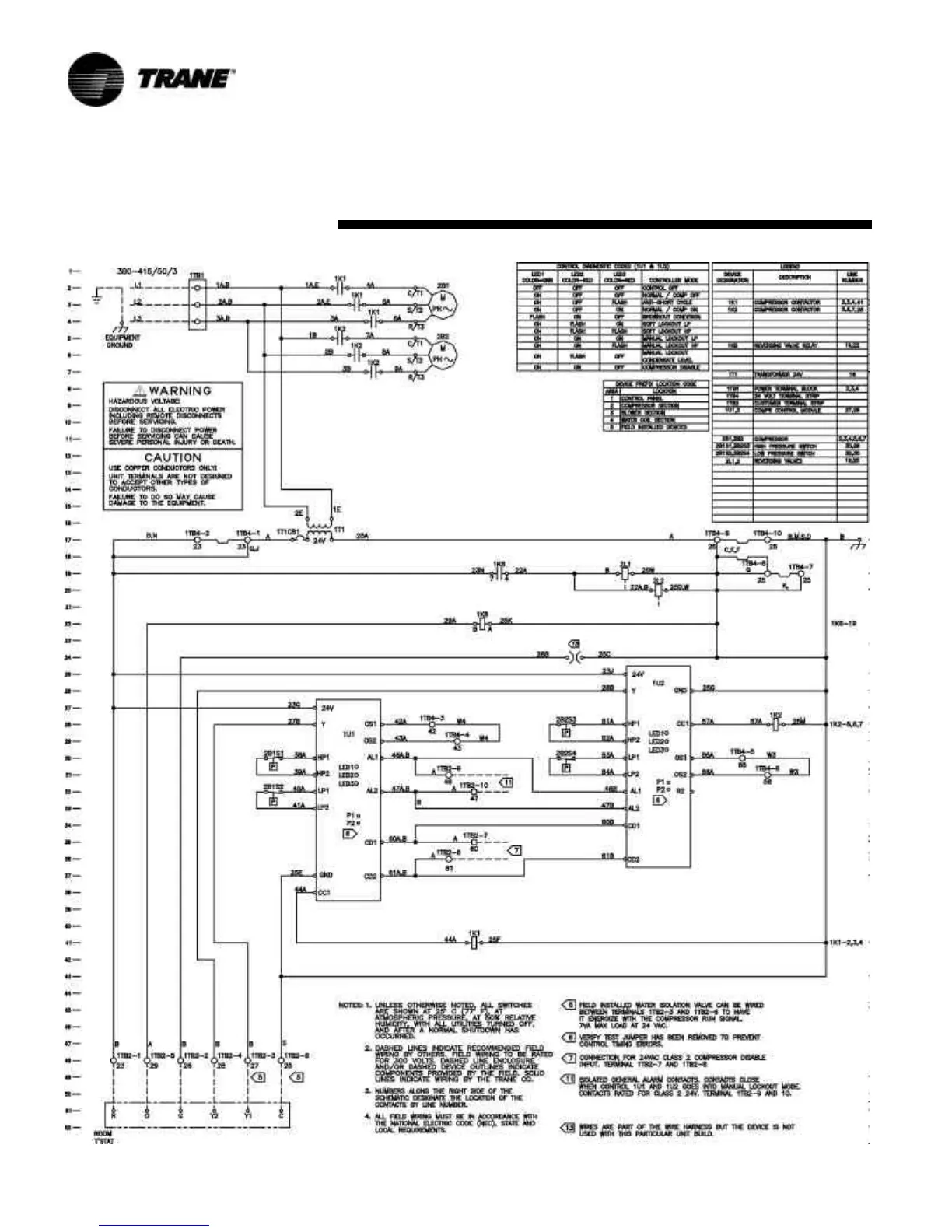
Unit Wiring
20-Ton Equipment

Related product manuals