EasyManua.ls Logo

Trane FF - Page 160

Trane FF
164 pages
Print Icon
To Next Page IconTo Next Page
To Next Page IconTo Next Page
To Previous Page IconTo Previous Page
To Previous Page IconTo Previous Page
Loading...
Wiring Diagrams
160 UNT-SVX07J-EN
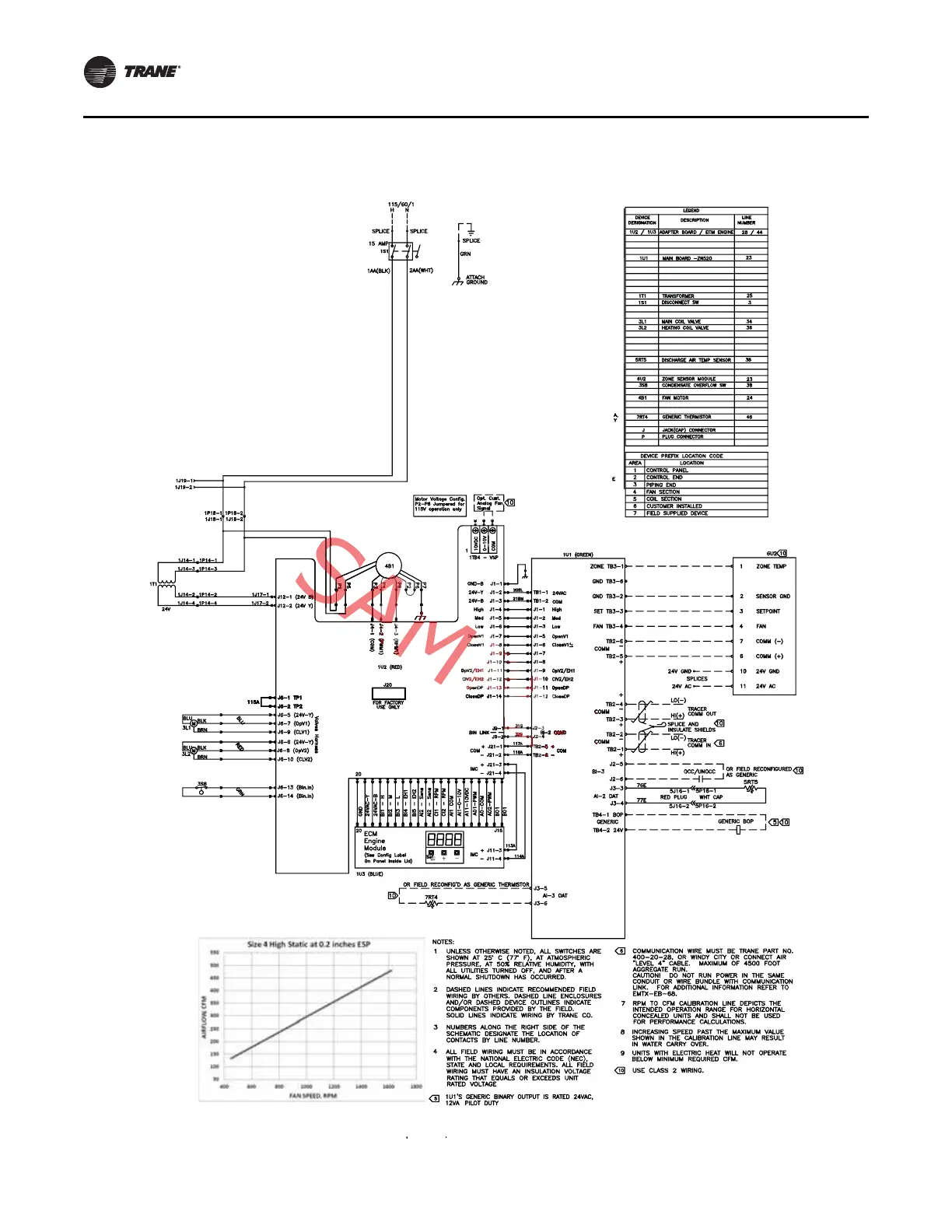
Table 99. Typical wiring diagram for Tracer® ZN520 unit with four-pipe configuration, condensate overflow switch, and
wall-mounted zone sensor
LE
E
E
E
E
E
E
E
L
L
L
L
L
L
L
L
L
LE
LE
LE
LE
LE
LE
LE
LE
LE
LE
LE
E
E
E
E
E
E
AMPL
SAM
PL
AM
A
A
A
A
A
P
P
P
P
P
P
P
MP
L
M
L
PL
SAMPL
S
S
S
SA
L
S
S
P
P
P
P
PL
PL
L
L
S
S
SAM
A
SA
A
A
SA
SA
SA
SA
SAM
A
A
SA
SA
S
S
A
A
SA
SA
S
S
S
SA
A
A
A
A
A
A
A
A
A
AM
M
M
A
A
A
AM
AM
AM
AM
AM
AM
AM
AM

Table of Contents

Other manuals for Trane FF

Related product manuals