EasyManua.ls Logo

Trane FF - Page 161

Trane FF
164 pages
Print Icon
To Next Page IconTo Next Page
To Next Page IconTo Next Page
To Previous Page IconTo Previous Page
To Previous Page IconTo Previous Page
Loading...
Wiring Diagrams
UNT-SVX07J-EN 161
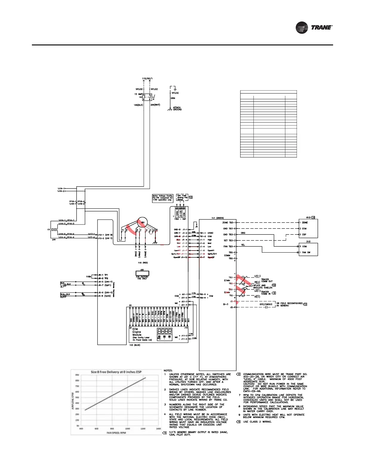
Table 100. Typical wiring diagram for Tracer® ZN510 unit with four-pipe configuration and split zone sensor/unit fan
switch configuration
Legend
Device
Designation
Adapter Board/ECM Engine
Description
Line
Number
28/44
1U2/1U3
1T1 Transformer
25
Fan Motor
J
Jack (Cap) Connector
P Plug connector
Device Prefix Location Code
Area
Location
Control Panel
Control End
Piping End
Fan Section
Coil Section
Customer Installed
Field Supplied Device
1
2
3
4
5
6
7
1S1
Disconnect Switch
3
24
1U1
Main Board - ZNX10
23
2U2 Fan Switch
27
3L1
3L2
Main Coil Valve
Heating Coil Valve
34
36
Zone Sensor Module
6U2
23
481
E
E
E
E
E
E
E
E
E
E
E
E
E
E
E
E
E
E
E
E
E
E
E
E
E
E
E
PLE
LE
LE
LE
LE
P
P
P
P
P
P
P
P
P
P
P
P
P
P
P
SAMP
M
AM
M
AM
AM
AM
M
M
M
M
M
M
M
A
A
A
AM
M
M
M
M
M
M
M
P
M
M
AMP
M
M
M
M
M
M
M
M
M
M
M
AM
MP
SA
S
S
SA
SA
SA
PLE
SA
SA
SA
S
S
S
S
SA
S
S
S
SA
SA
SA
SA
A
A
A
A
A
SA
SA
SA
SA
SA
SA

Table of Contents

Other manuals for Trane FF

Related product manuals