EasyManua.ls Logo

Trane Foundation GBC240 - Requirements of Gas Heat

Trane Foundation GBC240
52 pages
Print Icon
To Next Page IconTo Next Page
To Next Page IconTo Next Page
To Previous Page IconTo Previous Page
To Previous Page IconTo Previous Page
Loading...
RT-SVX51H-EN
23
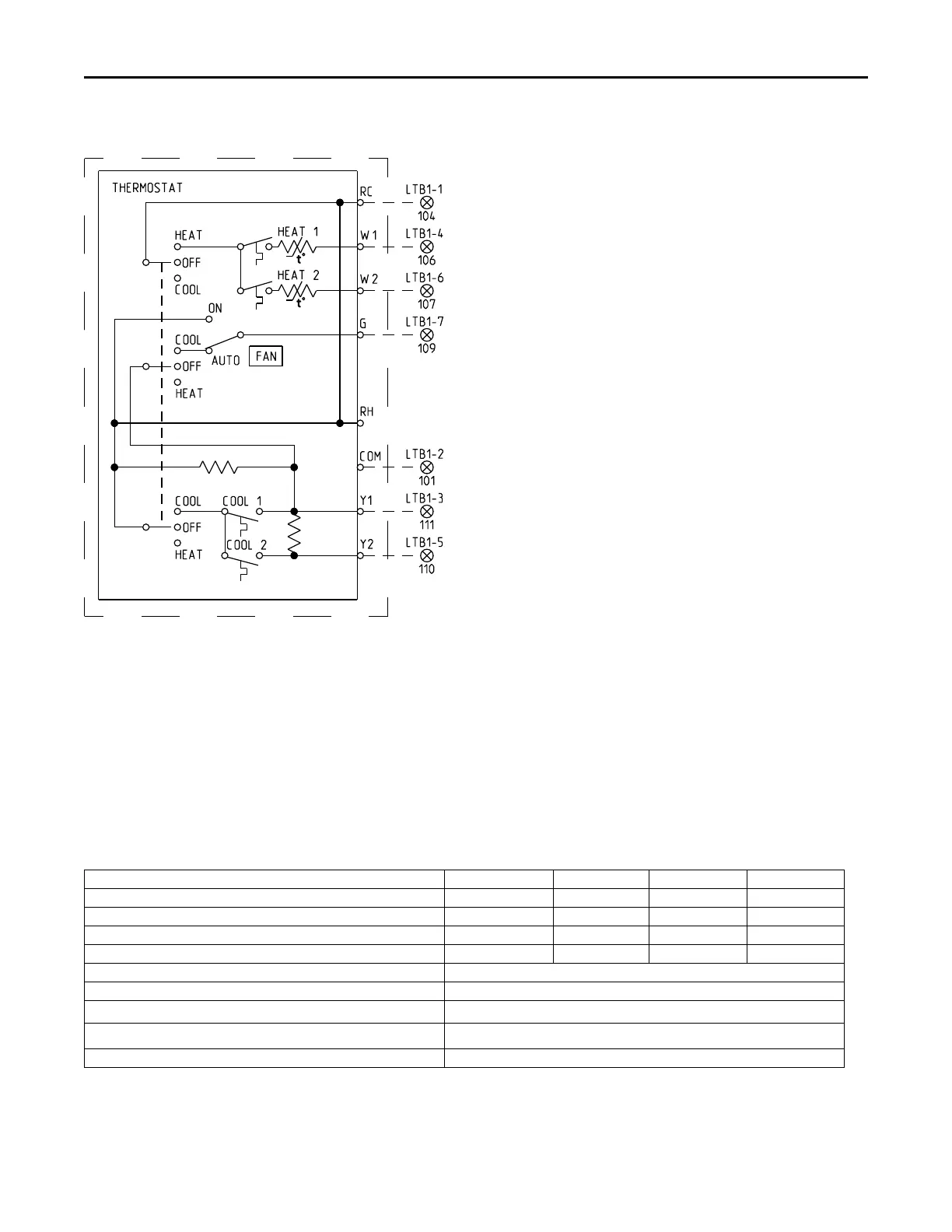
Figure 19. Conventional thermostat field wiring diagram
Requirements of Gas Heat
The unit gas train and optional through-the-base gas
shut-off valve are rated at 0.50 PSIG maximum. A
pressure reducing regulator is recommended to
prevent this maximum from being exceeded. These
components must be isolated during field gas piping
test that exceed 0.50 PSIG. It is recommended that the
field piping be capped prior to the unit gas train or
optional through-the-base gas shut-off valve if present.
Gas supply line properly sized and connected to the
unit gas train.
All gas piping joints properly sealed.
Gas piping leak checked with a soap solution. If
piping connections to the unit are complete, do not
pressurize piping in excess of 0.50 PSIG or 14–inch
W.C. to prevent component failure.
Drip leg installed in the gas piping near the unit.
Flue Exhaust clear of any obstruction
Gas Heat Data
Table 3. Gas heater operating data
Heating Input Rate—Btu/h 240,000 320,000 350,000 400,000
Minimum Supply Gas Pressure Natural/LP
4.5/11.0 4.5/11.0 5.0/11.0 5.5/11.0
Manifold Gas Pressure 3.2-3.5 3.2-3.5 3.2-3.5 3.2-3.5
Combustion Blower Suction Pressure (1
st
Stage)
-0.6 to -0.8 -0.6 to -0.8 -0.6 to -0.8 -0.6 to -0.8
Combustion Blower Suction Pressure (2
nd
Stage)
-1 to -1.3 -1 to -1.3 -1 to -1.3 -1 to -1.3
Minimum Flame Sensing Current
(a)
5.0 Micro Amps DC
Normal Sensing Current Range 8.0 to 16 Micro Amps DC
Flue Gas Temperature Rise
Above Ambient
300 to 400 F
Flue Gas Content - % CO
2
7.5 to 8.0% (Natural Gas)
8.0 to 8.5% (LP)
Minimum Supply Air Temperature Across Heat Exchanger
40° F
(a)
A voltage reading across pens (V+) and (V-) is equatable to the flame sensing current. One volt equals one micro amp.
IInnssttaallllaattiioonn

Table of Contents

Related product manuals