EasyManua.ls Logo

Trane RTAA-130 - Page 30

Trane RTAA-130
140 pages
Print Icon
To Next Page IconTo Next Page
To Next Page IconTo Next Page
To Previous Page IconTo Previous Page
To Previous Page IconTo Previous Page
Loading...
30
RTAA-IOM-3
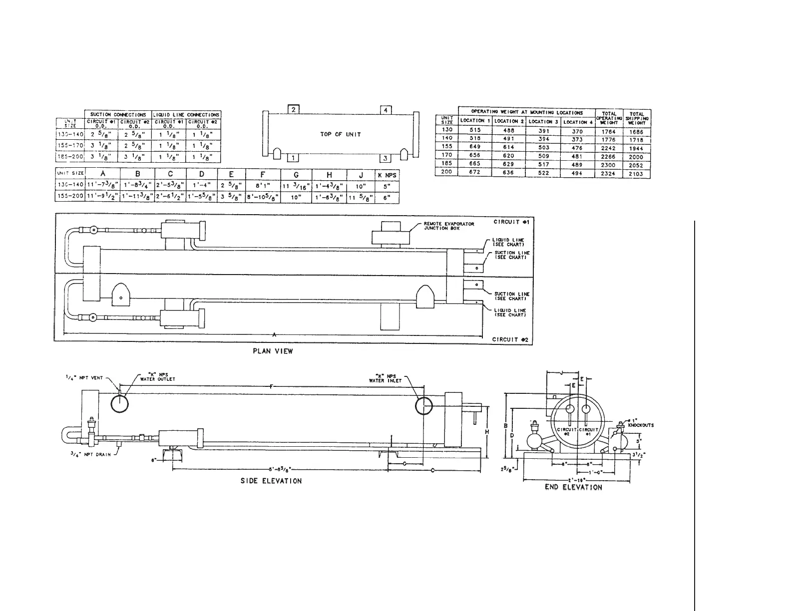
Figure 13
Dimensions and Weights for
Remote Evaporator Option
RTAA-SU-1004A
NOTES:
1. TOLERANCE ± 1/8” UNLESS OTHERWISE SPECIFIED.
2. ALLOW 8’-8” ON EITHER END FOR TUBE REMOVAL.

Table of Contents

Related product manuals