EasyManua.ls Logo

Trane RTAA-300 - Page 40

Trane RTAA-300
140 pages
Print Icon
To Next Page IconTo Next Page
To Next Page IconTo Next Page
To Previous Page IconTo Previous Page
To Previous Page IconTo Previous Page
Loading...
40
RTAA-IOM-3
RTAA-SA-2008A
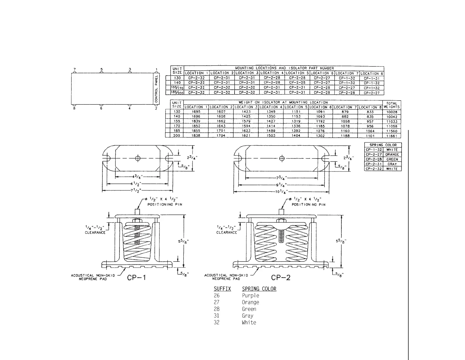
Figure 21
Spring Isolator Placement for
Typical RTAA Unit with Heat Recovery
Domestic Water Heater

Table of Contents

Related product manuals