EasyManua.ls Logo

Trane WCH048F1 - Maintenance; Routine Maintenance by Owner; Air Filters Maintenance; Serviceman Maintenance

Trane WCH048F1
14 pages
Print Icon
To Next Page IconTo Next Page
To Next Page IconTo Next Page
To Previous Page IconTo Previous Page
To Previous Page IconTo Previous Page
Loading...
Page 9
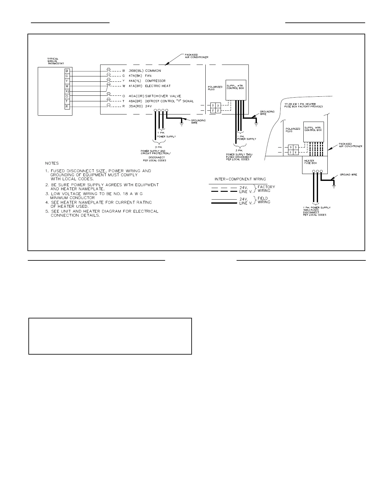
Typical Field Wiring Diagram
WCH024, 030, 036, 042C Units (With Supplementary Heaters)
6
Routine Maintenance by Owner
You can do some of the periodic maintenance functions for your
WCH-B unit yourself. These functions include replacing the
disposable or cleaning the permanent air filters, cleaning the
unit's cabinet, cleaning the condenser coil, and conducting a
general inspection of the unit on a regular basis.
Maintenance
WARNING: TO PREVENT INJURY OR DEATH
DUE TO ELECTRICAL SHOCK OR CONTACT WITH MOVING
PARTS. LOCK UNIT DISCONNECT SWITCH IN OPEN
POSITION BEFORE SERVICING UNIT.
Air Filters
•It is very important to keep the central duct system air filters
clean. Be sure to inspect them at least once each month when the
system is in constant operation. In new construction, check the
filters every week for the first four (4) weeks.
•If you have disposable-type filters, replace them with new
filters of the same type and size. Do not try to clean disposable
filters.
•Clean permanent-type filters by washing them with a mild
detergent and water. Make sure that the filters are thoroughly
dry before re-installing them in the unit.
•Replace permanent filters annually if washing fails to clean
them or if they show signs of deterioration. Use the same type
and size as was originally installed.
Outdoor Coil
•Unfiltered air circulated through the unit's outdoor coil can
cause the coil's surface to become clogged with dust, dirt, etc. To
clean the coil, stroke the coil surface with a soft-bristled brush
vertically, that is, in the direction of the fins.
•Be sure to keep all vegetation away from the outdoor coil area.
Maintenance Performed by Serviceman
To keep your unit operating as designed, the manufacturer
recommends that a qualified serviceman check over the entire
system at least once each year as well as any other time that you
feel that one is needed. Your serviceman should examine and
inspect:
•filters (for cleaning or replacement)
•motors and drive system components
•condenser coils (for cleaning)
•safety controls (for mechanical cleaning)
•electrical components and wiring (for possible replace-
ment and/or connection tightness)
•condensate drain (for cleaning)
•unit duct connections to see that they are physically
sound and sealed to the unit casing
•unit mounting support to see that it is sound
•unit to see that there is no obvious unit deterioration.
B757386
Dwg. No. D757386

Related product manuals