EasyManua.ls Logo

Trane WSC120E - Pre-Start Procedures

Trane WSC120E
56 pages
Print Icon
To Next Page IconTo Next Page
To Next Page IconTo Next Page
To Previous Page IconTo Previous Page
To Previous Page IconTo Previous Page
Loading...
RT-SVX23F-EN 33
Pre-Start
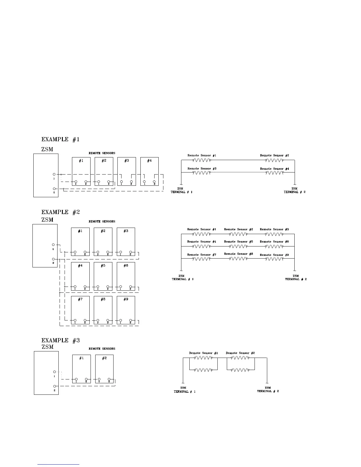
Space Temperature Averaging (ReliaTel™
only)
Space temperature averaging is accomplished by wiring a
number of remote sensors in a series/parallel circuit.
Using the BAYSENS016* or BAYSENS077*, at least four
sensors are required to accomplish space temperature
averaging. Example #1 illustrates two series circuits with
two sensors in each circuit wired in parallel.The square of
any number of remote sensors is required. Example #2
illustrates three sensors squared in a series/parallel circuit.
Using BAYSENS077*, two sensors are required to
accomplish space temperature averaging. Example #3
illustrates the circuit required for this sensor. Table 7, p. 35
lists the temperature versus resistance coefficient for all
sensors.
Figure 41. Examples

Table of Contents

Other manuals for Trane WSC120E

Related product manuals