EasyManua.ls Logo

Transpak TP-201 - The Strap Does Not Feed Past the Infeed Guide

Transpak TP-201
60 pages
Print Icon
To Next Page IconTo Next Page
To Next Page IconTo Next Page
To Previous Page IconTo Previous Page
To Previous Page IconTo Previous Page
Loading...
-18-
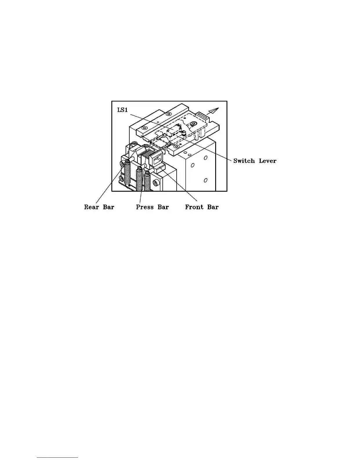
(2) The Strap Does Not Feed Past the Infeed Guide
This failure is caused if the front bar is in the raised position (previous cycle has not been
completed). Turn the Power switch "off ", then "on" again.
If this does not eliminate the failure, adjust the lever for LS1 to allow LS1 to be activated
and de-activated correctly.
*More troubleshooting guide is on request.

Other manuals for Transpak TP-201

Related product manuals