EasyManua.ls Logo

Traulsen TU044HT - Wiring Diagram

Traulsen TU044HT
24 pages
Print Icon
To Next Page IconTo Next Page
To Next Page IconTo Next Page
To Previous Page IconTo Previous Page
To Previous Page IconTo Previous Page
Loading...
-17-
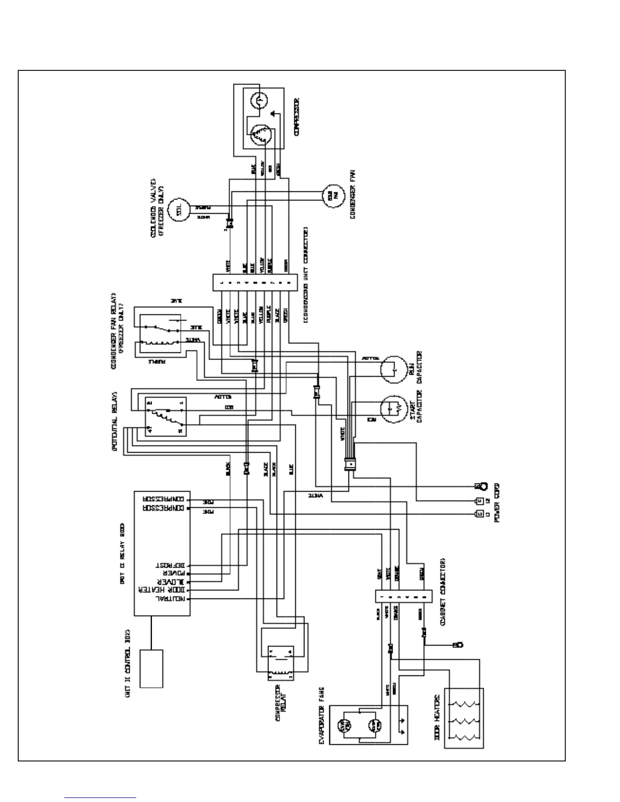
VIII. WIRING DIAGRAM
Note: Refer to the wiring diagram below (applies to refrigerators and freezers units) for any service work performed
by a qualied technician.

Related product manuals