EasyManua.ls Logo

Trebor Mega 960D - Parts Illustration

Trebor Mega 960D
31 pages
Print Icon
To Next Page IconTo Next Page
To Next Page IconTo Next Page
To Previous Page IconTo Previous Page
To Previous Page IconTo Previous Page
Loading...
PAGE 14 MEGA 960D PUMP OPERATION / MAINTENANCE MANUAL
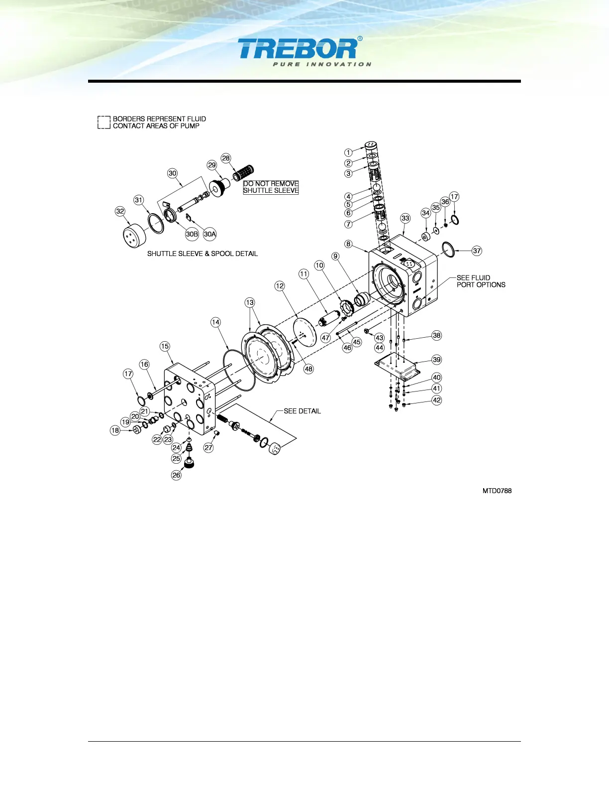
4.4 PARTS ILLUSTRATION