EasyManua.ls Logo

TriangleTube Delta - Page 26

Default Icon
64 pages
Print Icon
To Next Page IconTo Next Page
To Next Page IconTo Next Page
To Previous Page IconTo Previous Page
To Previous Page IconTo Previous Page
Loading...
20
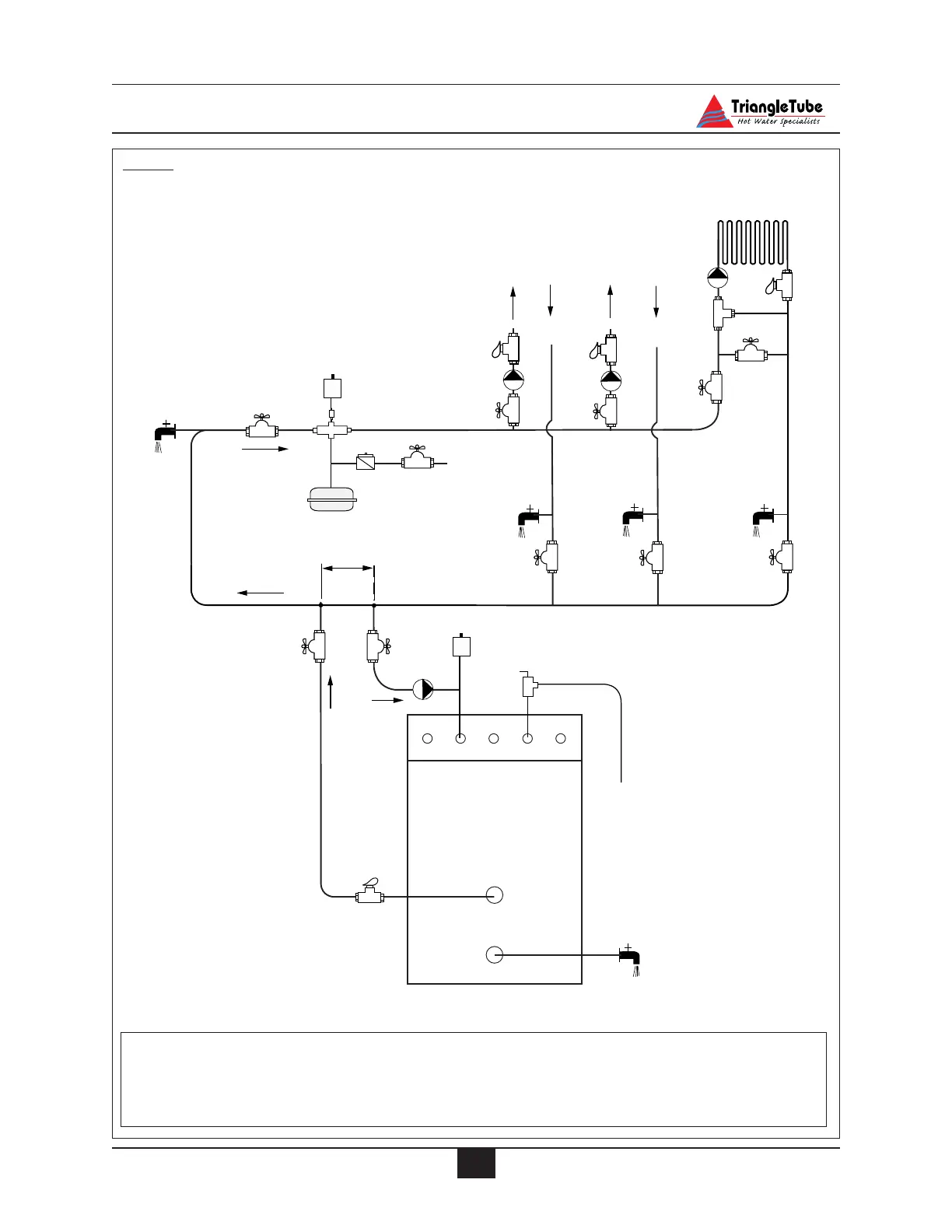
Primary Piping
1.
Modulating Delta
2. Pressure Relief Valve
3. Automatic Air Vent
4.
Drain/Pur
ge
V
alve
5.
Circulator
6.
Air Separator
7. Expansion Tank - Diaphragm
8. Automatic Fill Valve
9.
Isolation
V
alve
10.
Zone Valve
1
1.
Bypass Valve
12. Flow Check Valve
13. Mixing Valve
Notes:
1. Install a minimum of 12 straight pipe
diameters upstream of all circulators.
2. Install closely spaced tees a maxi-
mum of 4 pipe diameters center to
center
3. Install a minimum of 6 straight pipe
diameters upstream and down stream
of closely spaced tees.
Fig. 9: Primary Piping - Zoning with Circulators

Table of Contents

Related product manuals