EasyManua.ls Logo

Trojan FOCUS 360 - STEP 10: CUSHION AND FRAME ATTACHMENT; STEP 11: ARM CURL FRAME & FOAM ROLLS

Trojan FOCUS 360
27 pages
Print Icon
To Next Page IconTo Next Page
To Next Page IconTo Next Page
To Previous Page IconTo Previous Page
To Previous Page IconTo Previous Page
Loading...
10133-14
4. ASSEMBLY STEPS
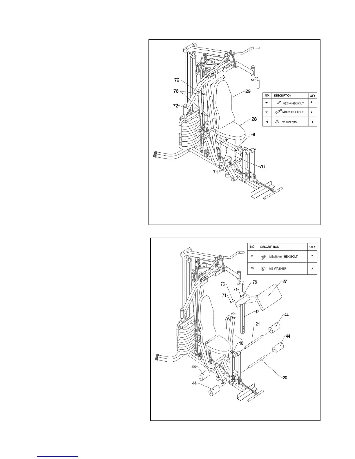
STEP 10
• AttachBackrestCushion(29)
ontoVerticalPost(3)usingtwo
M8x63mmHexBolts(72)andtwo
M8x63mmHexBolts(76).
• AttachSeatCushion(28)onto
Seat Cushion Support (9) using
fourM8x16mmHexBolts(71)and
fourM8x63mmHexBolts(76).
STEP 11
• AttachArmCurlCushion(27)
onto Arm Curl Frame (12) using
twoM8x16mmHexBolts(71)and
twoM8x63mmHexBolts(76).
• SecuretheArmCurlFrame(12)to
the Seat Support Post (10) using
PT-1Pop Pin (48).
• InserttheFoamRod(Long)(21)
into the hole of Seat Support Post
(10). Attach two Foam Rolls (44) to
the Foam Rod (Long) (21).
• InserttheFoamRod(Short)(20)
intotheholeofLegExtension(11).
Attach two Foam Rolls (44) to the
Foam Rod (Short) (20).

Related product manuals