EasyManua.ls Logo

Trophy 1703CC - Wiring Diagrams

Default Icon
64 pages
Print Icon
To Next Page IconTo Next Page
To Next Page IconTo Next Page
To Previous Page IconTo Previous Page
To Previous Page IconTo Previous Page
Loading...
49
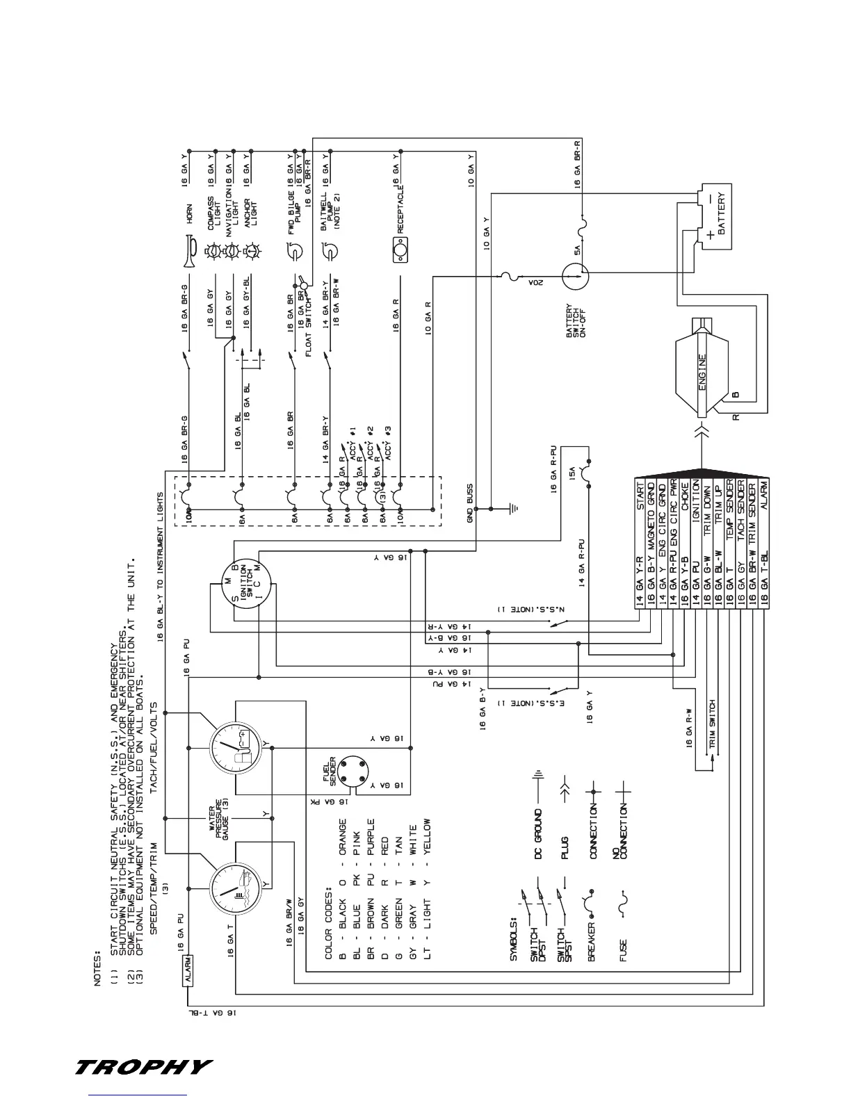
1703CC, 1903CC, 2103CC Owner’s Manual Supplement Chapter 10: Electrical System
Wiring Diagrams
1703 Electrical System

Table of Contents

Related product manuals