EasyManua.ls Logo

Troy-Bilt 809 - Electrical Schematic

Troy-Bilt 809
48 pages
Print Icon
To Next Page IconTo Next Page
To Next Page IconTo Next Page
To Previous Page IconTo Previous Page
To Previous Page IconTo Previous Page
Loading...
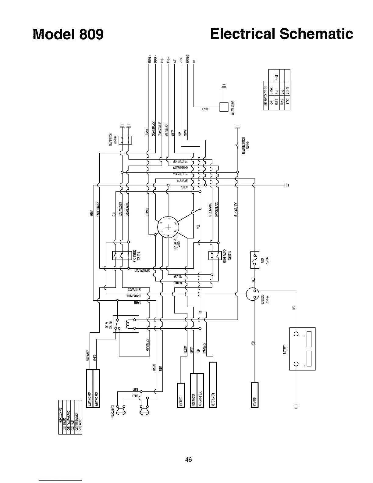
Model 809 Electrical Schematic
Illl
46

Related product manuals