EasyManua.ls Logo

Troy-Bilt D609G - Page 32

Troy-Bilt D609G
40 pages
Print Icon
To Next Page IconTo Next Page
To Next Page IconTo Next Page
To Previous Page IconTo Previous Page
To Previous Page IconTo Previous Page
Loading...
32
Models D609, G609, U609 & X609
10
12*
20
1
29
21
22
25
19
26
10
30
28
27
18
2
4
4
2
17
24
23
11
5
3
13
6
7
12*
8
12*
14
15
21
9
REF.
NO.
PART
NO.
DESCRIPTION
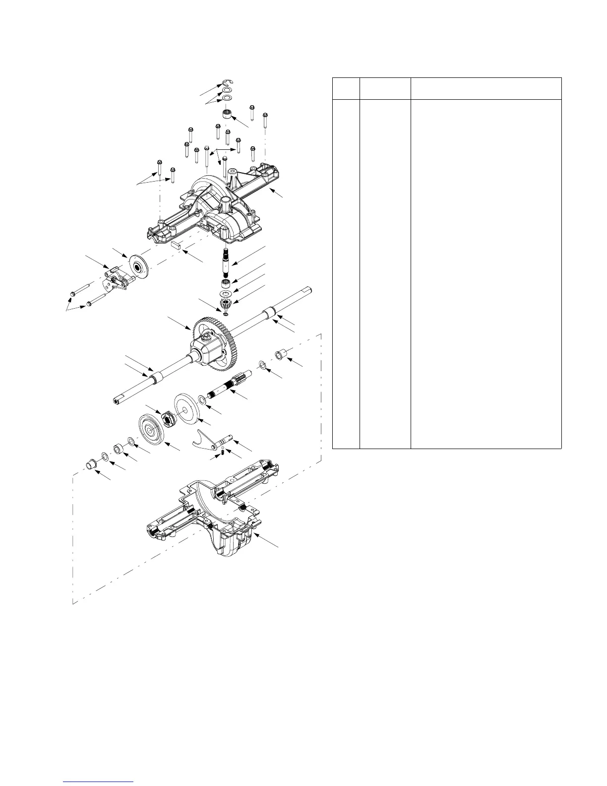
1 716-0231 E-Ring, .75
2 721-0338 Seal, .75 x 1.0 x .125
3 711-1431 Drive Shaft
4 741-0340 Sleeve Bearing, .75 x .1.0 x 1.0
5 736-0495 Thrust Washer, 1.0 x .632 x .0
6 717-1362 42-Tooth Bevel Gear
7 717-1363 42-Tooth Bevel Gear
8 750-1234 Spacer, .633 x 1.0 x .513
9 718-0228 Clutch Collar
10 741-0525 Needle Bearing, .625 x .875
11 719-0394 Lower Housing
12a 736-0336 Flat Washer, 5/8 x 1.0 x .030*
12b 736-0337 Flat Washer, 5/8 x 1.0 x .040*
12c 736-0349 Flat Washer, 5/8 x 1.0 x .020*
13 736-0519 Flat Washer, .70 x 1.125 x .031
14 741-0336 Flange Bearing, 5/8 x 3/4 x 3/4
15 741-0337 Flange Bearing, 5/8 x 3/4 x 15/16
16 750-1238 Spacer, .635 x 1.0 x .27
17 611-0133 Detent Shaft Assembly
18 618-0424 Differential Assembly
19 661-0006 Brake Assembly
20 710-1325 Self-tapping Screw, 1/4-20 x 1.625
21 710-1206 Self-tapping Screw, 1/4-20 x 2.375
22 717-0678 Brake Pad
23 732-0863 Compression Spring
24 741-0862 Detent Ball
25 761-0202 Brake Disc
26 711-1430 Input Shaft
27 716-0108 Retaining Ring, .437
28 717-1464 14-Tooth Bevel Pinion
29 719-0391A Upper Housing
30 736-0723 Thrust Washer, .635 x 1.25 x .042
*Use applicable flat washer (12a, 12b or 12c) in this application allowing proper end-play as instructed in Service Manual.

Related product manuals