EasyManua.ls Logo

TrueCam A7s - Page 11

TrueCam A7s
200 pages
Print Icon
To Next Page IconTo Next Page
To Next Page IconTo Next Page
To Previous Page IconTo Previous Page
To Previous Page IconTo Previous Page
Loading...
10
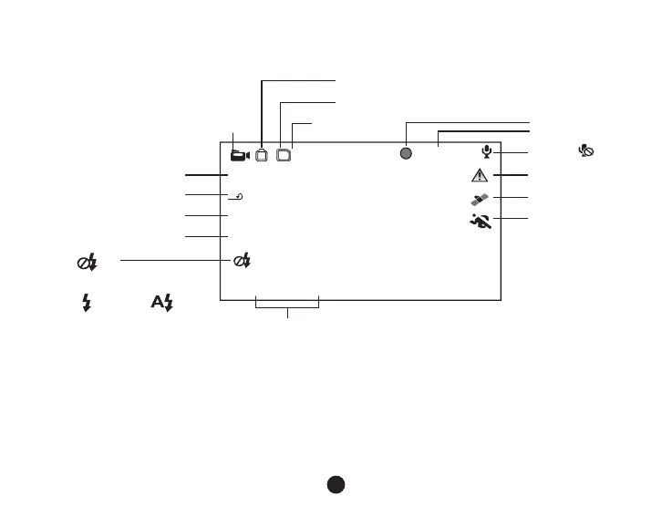
In the recording status of the video mode, LCD display will be shown as bellow:
2013/10/05 12:00
4M
0.0 EV
000:00:42
A456T7S
2304x1296 30P
5
Motion detection
Recording status
Recording time
File protection
Mic on
Date and time
Video resolution
Video/photo mode
Power indicator
TF card indicator
Photo size
Loop setting
EV value
GPS icon
Mic off
LED light OFF
LED light ON LED light auto
Driver’s name

Table of Contents

Related product manuals