EasyManua.ls Logo

TrueCam A7s - G) RežIM NahráVání

TrueCam A7s
200 pages
Print Icon
To Next Page IconTo Next Page
To Next Page IconTo Next Page
To Previous Page IconTo Previous Page
To Previous Page IconTo Previous Page
Loading...
9
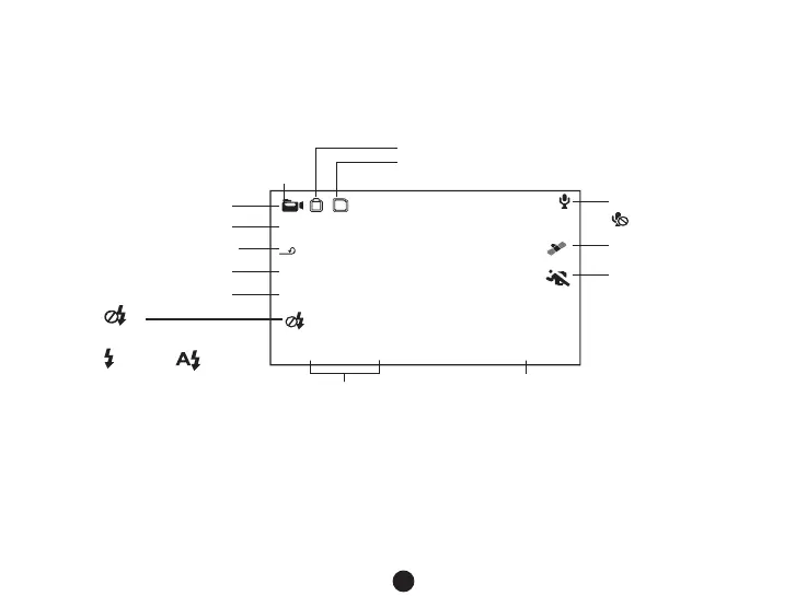
g) Režim nah

LED Přísvit vypnutý
LED Přísvit
zapnutý
Automatické
spuštění LED přísvitu
2013/10/05 12:00
4M
0.0 EV
000:07:20
2304x1296 30P
5
Detekce pohybu
Ikona GPS
Mikrofon zapnutý
Zbývající čas nahrávání
(Podle volného místa na paměťové kartě)
Datum a čas
Rozlišení videa
Režim nahrávání
Indikátor napájení
Indikátor paměťové karty
Rozlišení fotografie
Nastavení automatické smyčky
Hodnota expozice
Fotografování
Mikrofon vypnutý

Table of Contents

Related product manuals