EasyManua.ls Logo

TrueCam A7s - G) Video Mode

TrueCam A7s
200 pages
Print Icon
To Next Page IconTo Next Page
To Next Page IconTo Next Page
To Previous Page IconTo Previous Page
To Previous Page IconTo Previous Page
Loading...
9
g) Video mode
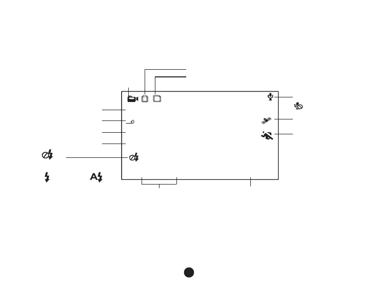
In the standby status of the video mode, LCD display will be shown as below:
LED light OFF
LED light ON LED light auto
2013/10/05 12:00
4M
0.0 EV
000:07:20
2304x1296 30P
5
Motion detection
GPS icon
Mic indicator
Available recording time
(Estimate from TF card available space).
Date and time
Video resolution
Video/photo mode
Power indicator
TF card indicator
Photo size
Loop setting
EV value
Mic off

Table of Contents

Related product manuals