EasyManua.ls Logo

TrueCam A7s - Page 136

TrueCam A7s
200 pages
Print Icon
To Next Page IconTo Next Page
To Next Page IconTo Next Page
To Previous Page IconTo Previous Page
To Previous Page IconTo Previous Page
Loading...
10

2013/10/05 12:00
4M
0.0 EV
000:00:42
A456T7S
2304x1296 30P
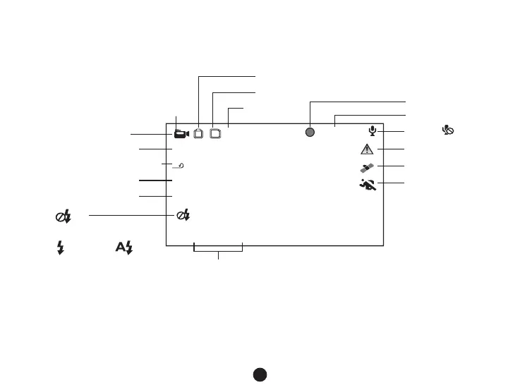
5
Detekcia pohybu
Blikajúca červená
bodka značí, že
zariadenie práve
nahráva.
Čas nahrávania
Ochrana súboru
Mikrofón
zapnutý
Dátum a čas
Rozlíšenie videa
Režim nahrávania
Indikátor napájania
Indikátor pamäťovej karty
Rozlíšenie fotografie
Nastavenie automatickej slučky
Hodnota expozície
GPS ikona
Fotografovanie
Mikrofón
vypnutý
LED prisvietenie vypnuté
LED prisvietenie
zapnuté
Automatické spustenie
LED prisvietenia


Table of Contents

Related product manuals