EasyManua.ls Logo

TrueCam A7s - Page 36

TrueCam A7s
200 pages
Print Icon
To Next Page IconTo Next Page
To Next Page IconTo Next Page
To Previous Page IconTo Previous Page
To Previous Page IconTo Previous Page
Loading...
10
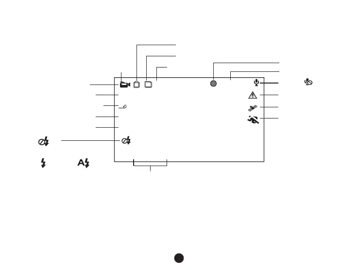
Während des Aufnehmens sieht das Display wie folgt aus:
2013/10/05 12:00
4M
0.0 EV
000:00:42
A456T7S
2304x1296 30P
5
Bewegungser-
kennung
Der blinkende rote
Punkt zeigt an, dass
beim Gerät das
Aufnehmen läuft.
Aufnahmezeit
Dateischutz
Mikrofon
an
Datum und Uhrzeit
Videoauflösung
Aufnahmemodus
Batteriestand
Speicherkartenanzeige
Fotoauflösung
Einstellung der automatischen
Endlosschleife
Beleuchtungswert
GPS Symbol
Fotografieren
Mikrofon
aus
LED Beleuchtung aus
LED
Beleuchtung an
Automatische Einschaltung
der LED Beleuchtung
Fahrername

Table of Contents

Related product manuals