EasyManua.ls Logo

TrueCam A7s - Page 61

TrueCam A7s
200 pages
Print Icon
To Next Page IconTo Next Page
To Next Page IconTo Next Page
To Previous Page IconTo Previous Page
To Previous Page IconTo Previous Page
Loading...
10

2013/10/05 12:00
4M
0.0 EV
000:00:42
A456T7S
2304x1296 30P
5
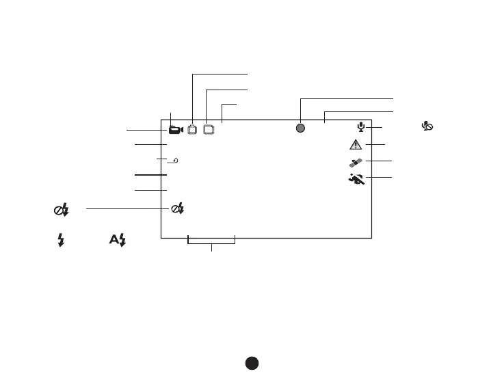
Detekcja ruchu
Migający czerwony
punkt oznacza, że
urządzenie właśnie
nagrywa.
Czas nagrywania
Zabezpieczenie pliku
Mikrofon
włączony
Data i godzina
Rozdzielczość wideo
Tryb nagrywania
Ikona stanu baterii
Ikona karty pamięci
Rozdzielczość fotografii
Ustawienie automatycznej pętli
Wartość ekspozycji
Ikona GPS
Fotografowanie
Mikrofon
wyłączony
Podświetlenie wylączone
Podświetlenie
włączone
Automatyczne
włączanie poświetlenia


Table of Contents

Related product manuals