EasyManua.ls Logo

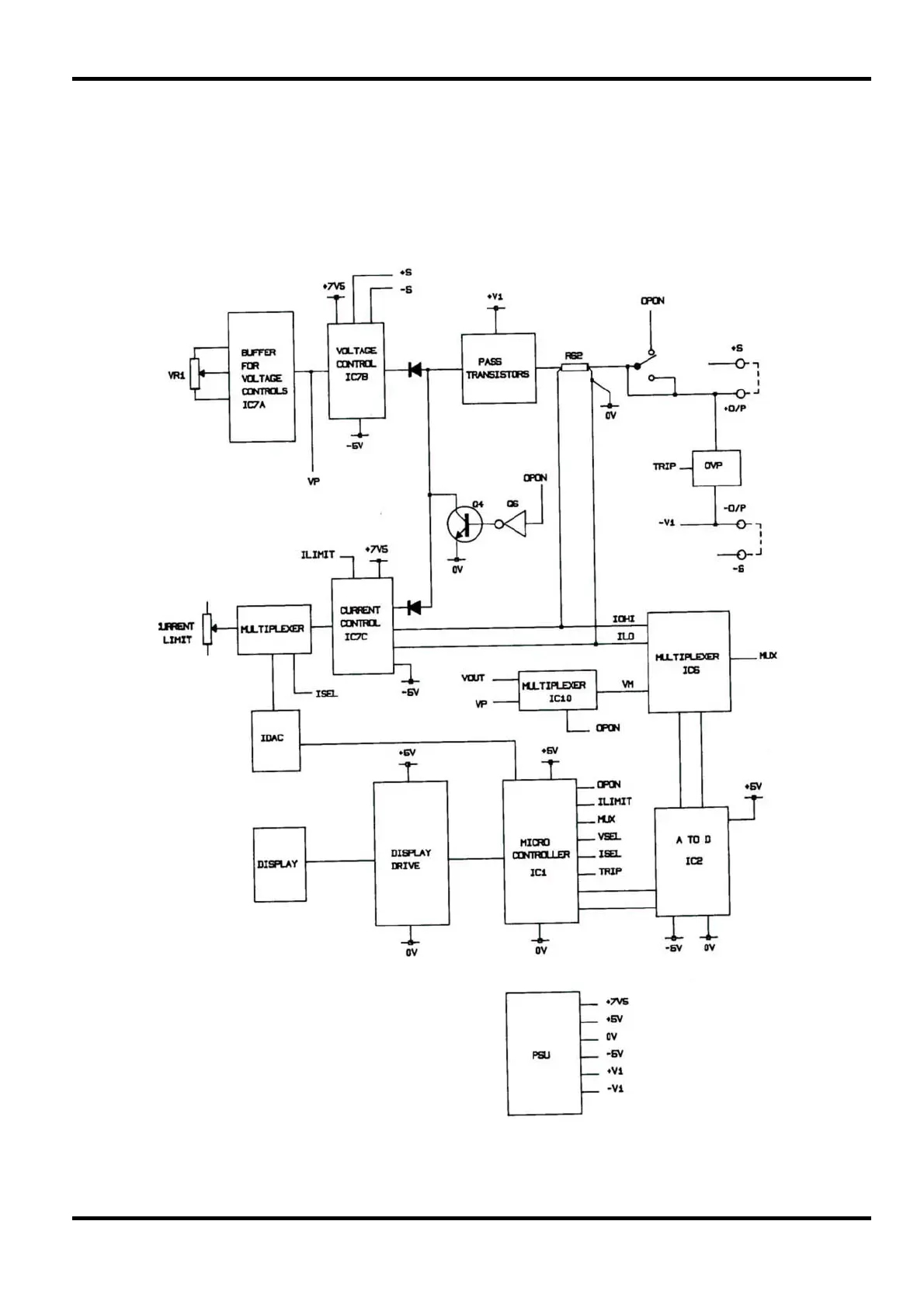
TTI PL Series - Block Diagram - 5 V;7 A Output (Issue 2 pcb onwards)

Default Icon
49 pages
Print Icon
To Next Page IconTo Next Page
To Next Page IconTo Next Page
To Previous Page IconTo Previous Page
To Previous Page IconTo Previous Page
Loading...
15
Block Diagram – 5V/7A Output (Issue 2 pcb onwards)

Related product manuals