EasyManua.ls Logo

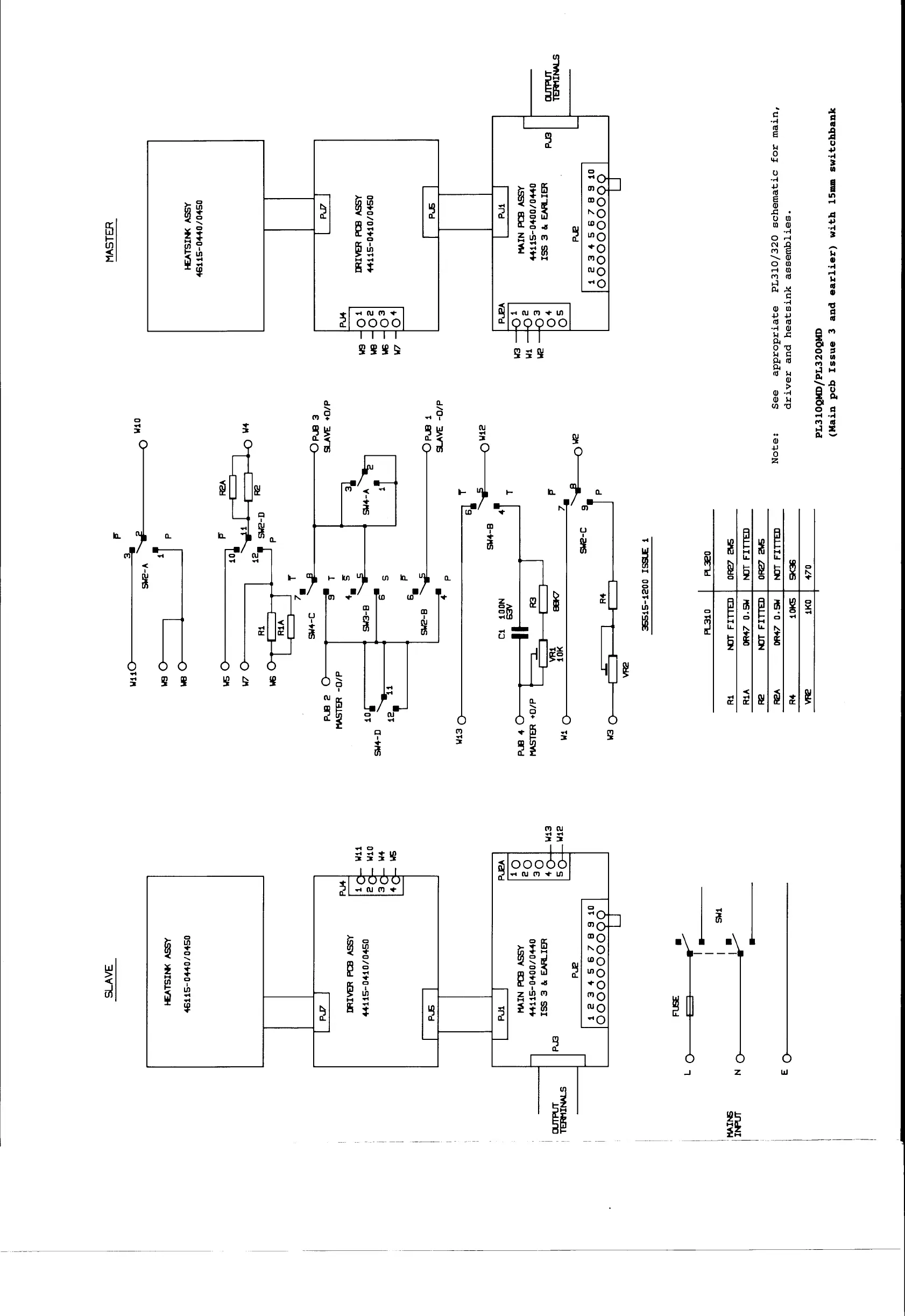
TTI PL Series - Master;Slave Configuration Diagrams - PL310;PL320; PL310;PL320 schematic for main, driver and heatsink assemblies.

Default Icon
49 pages
Print Icon
To Next Page IconTo Next Page
To Next Page IconTo Next Page
To Previous Page IconTo Previous Page
To Previous Page IconTo Previous Page
Loading...

Related product manuals