EasyManua.ls Logo

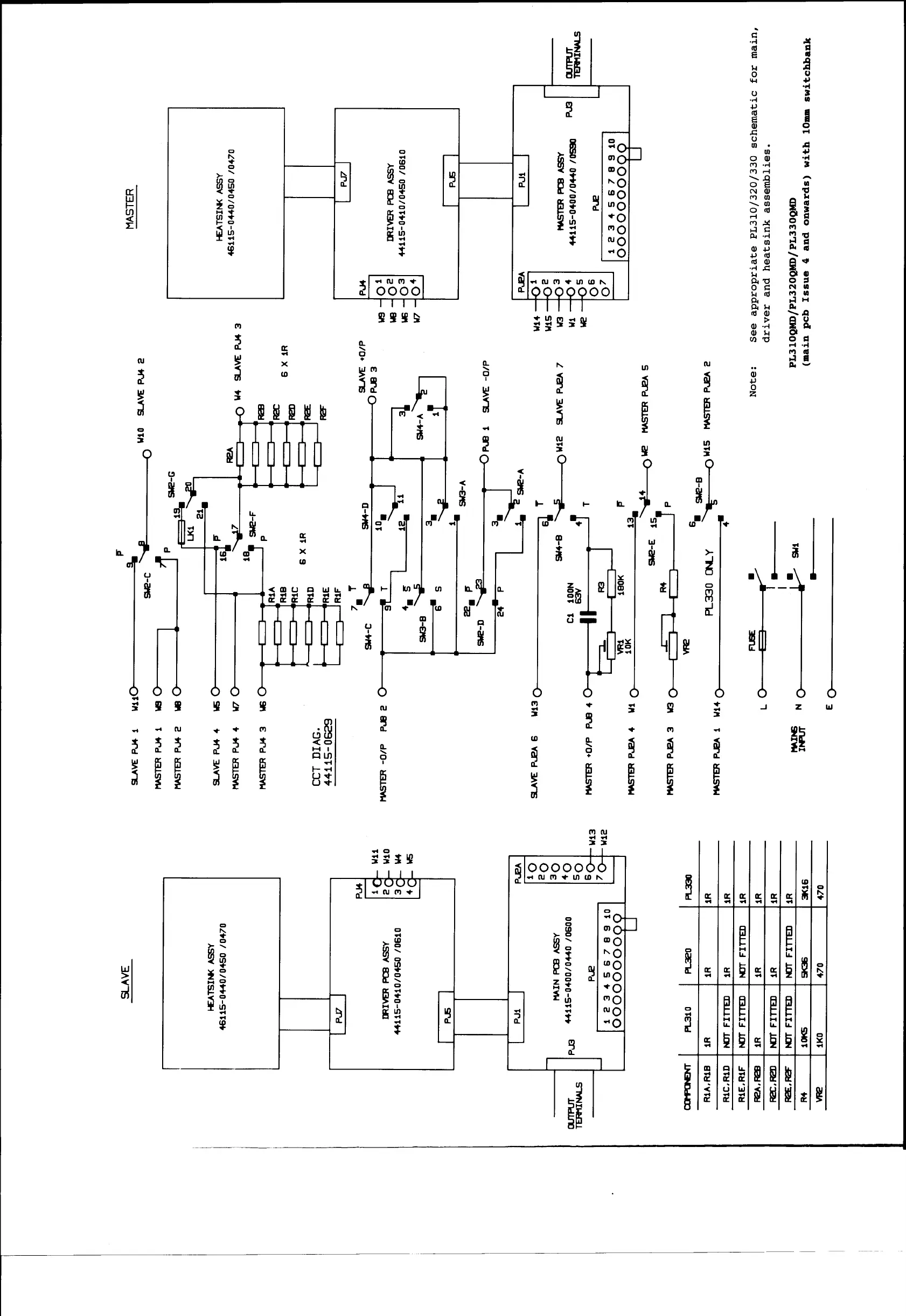
TTI PL Series - Master;Slave Configuration Diagrams - PL330 QMD;PL330 QMT; PL310 QMD;PL320 QMD;PL330 QMD (main pcb Issue 4 and onwards) with 10 mm switchbank

Default Icon
49 pages
Print Icon
To Next Page IconTo Next Page
To Next Page IconTo Next Page
To Previous Page IconTo Previous Page
To Previous Page IconTo Previous Page
Loading...

Related product manuals