EasyManua.ls Logo

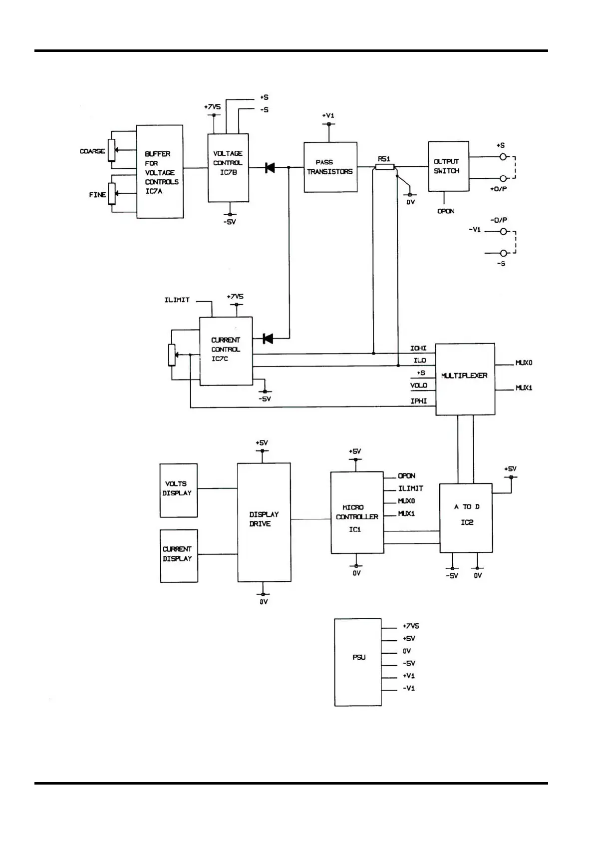
TTI PL Series - Block diagram - Main Outputs

Default Icon
49 pages
Print Icon
To Next Page IconTo Next Page
To Next Page IconTo Next Page
To Previous Page IconTo Previous Page
To Previous Page IconTo Previous Page
Loading...
Block diagram - Main Outputs
8

Related product manuals