EasyManua.ls Logo

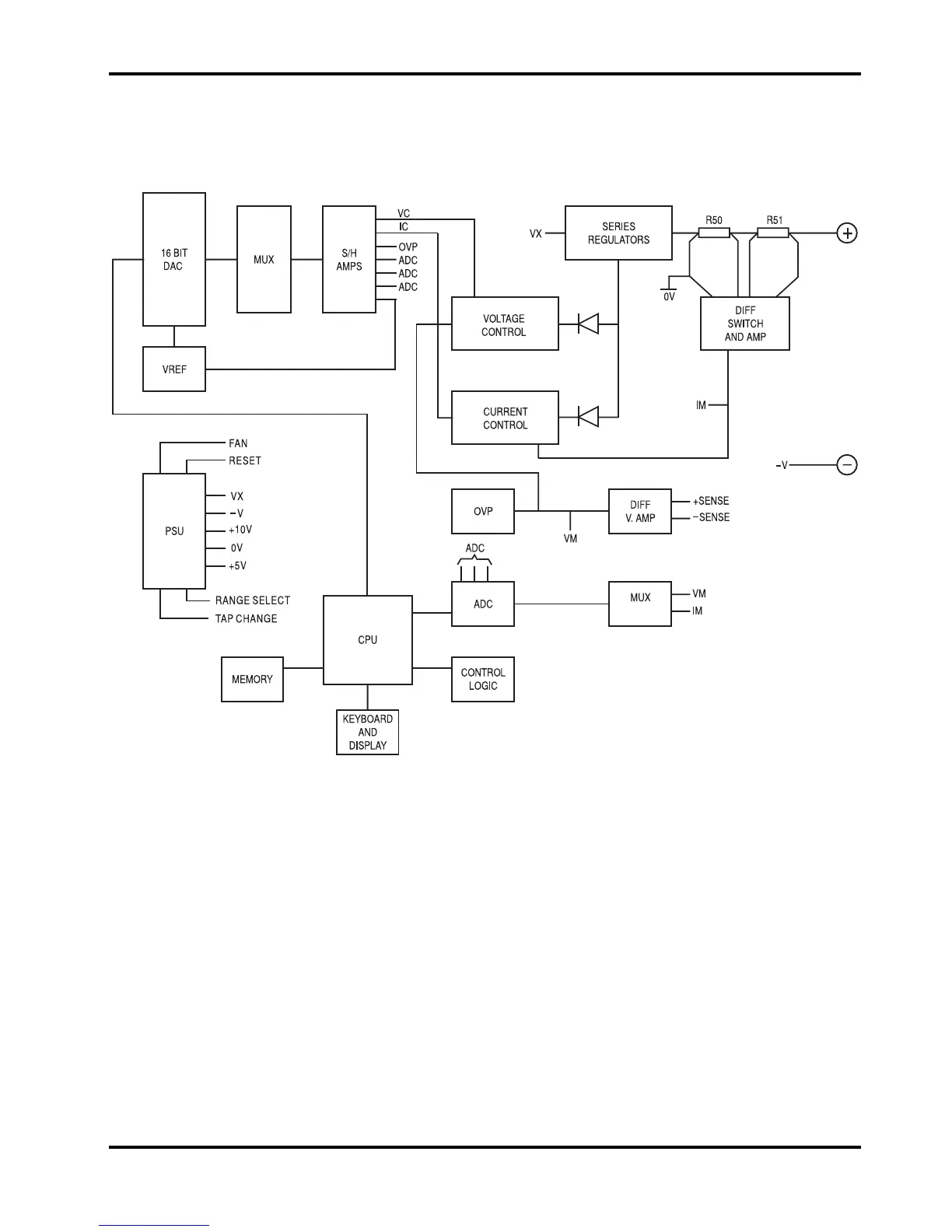
TTI QL564 - Diagrams and Layouts; Block Diagram

Default Icon
48 pages
Print Icon
To Next Page IconTo Next Page
To Next Page IconTo Next Page
To Previous Page IconTo Previous Page
To Previous Page IconTo Previous Page
Loading...
Block Diagram
31

Related product manuals