EasyManua.ls Logo

TuffStuff SXT-550 - Page 39

TuffStuff SXT-550
60 pages
Print Icon
To Next Page IconTo Next Page
To Next Page IconTo Next Page
To Previous Page IconTo Previous Page
To Previous Page IconTo Previous Page
Loading...
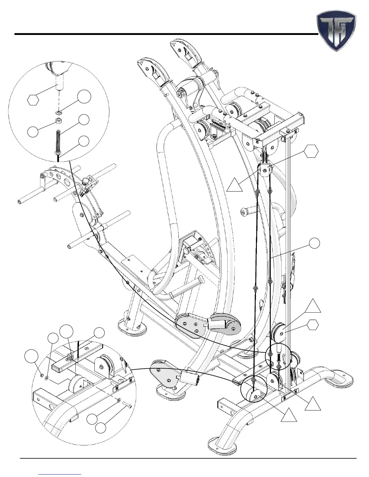
SXT-550 Deluxe Hybrid Trainer www.tustutness.com
39
A
B
D
C
*2
*28
45
136
45
107
85
70
85
81
142
97
*2
45

Related product manuals