EasyManua.ls Logo

TuffStuff SXT-550 - Lat Cable

TuffStuff SXT-550
60 pages
Print Icon
To Next Page IconTo Next Page
To Next Page IconTo Next Page
To Previous Page IconTo Previous Page
To Previous Page IconTo Previous Page
Loading...
SXT-550 Deluxe Hybrid Trainerwww.tustutness.com
26
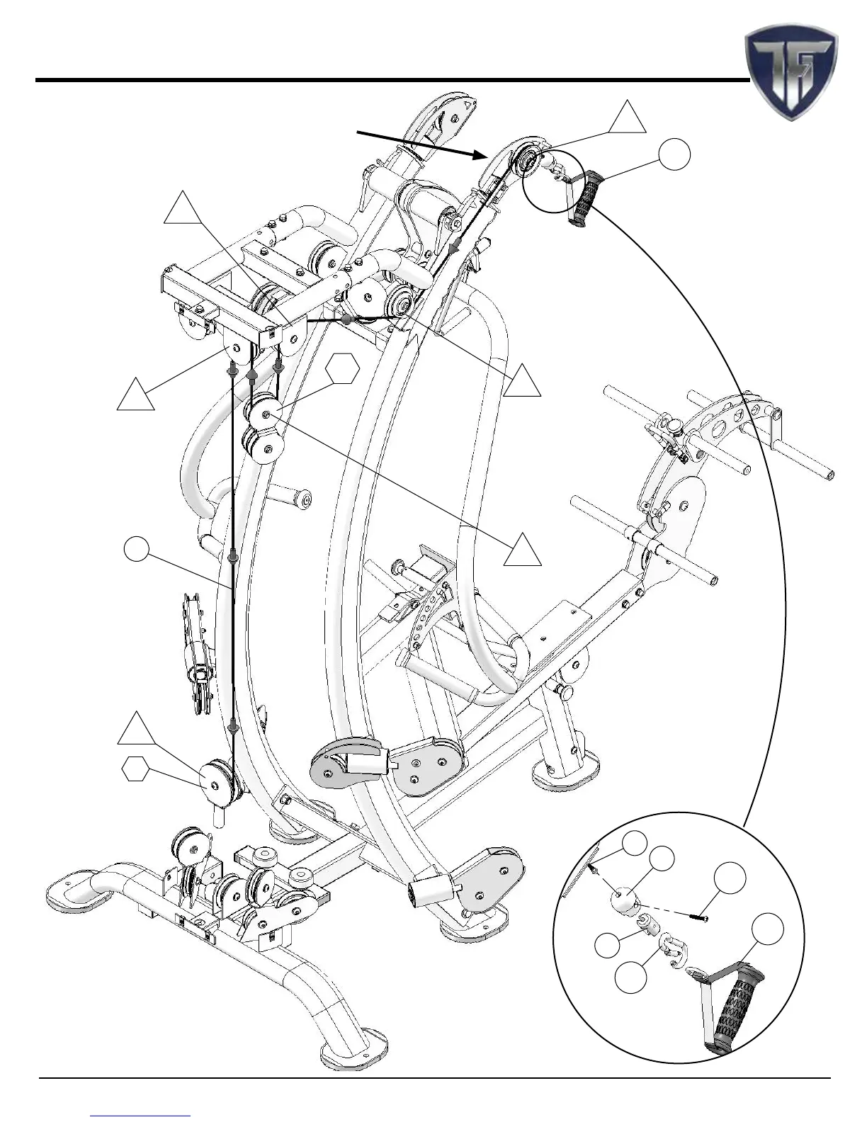
Step 8 Lat Cable
15
A
B
C
D
F
E
*2
*11
108
52
129
15
109
76
108
Note:
Aach cable to pre-assembled wire
string at pulley A and pull wire out
thru pulley B

Related product manuals