EasyManua.ls Logo

TuffStuff SXT-550 - Press Bar Cable

TuffStuff SXT-550
60 pages
Print Icon
To Next Page IconTo Next Page
To Next Page IconTo Next Page
To Previous Page IconTo Previous Page
To Previous Page IconTo Previous Page
Loading...
www.tustutness.com SXT-550 Deluxe Hybrid Trainer
34
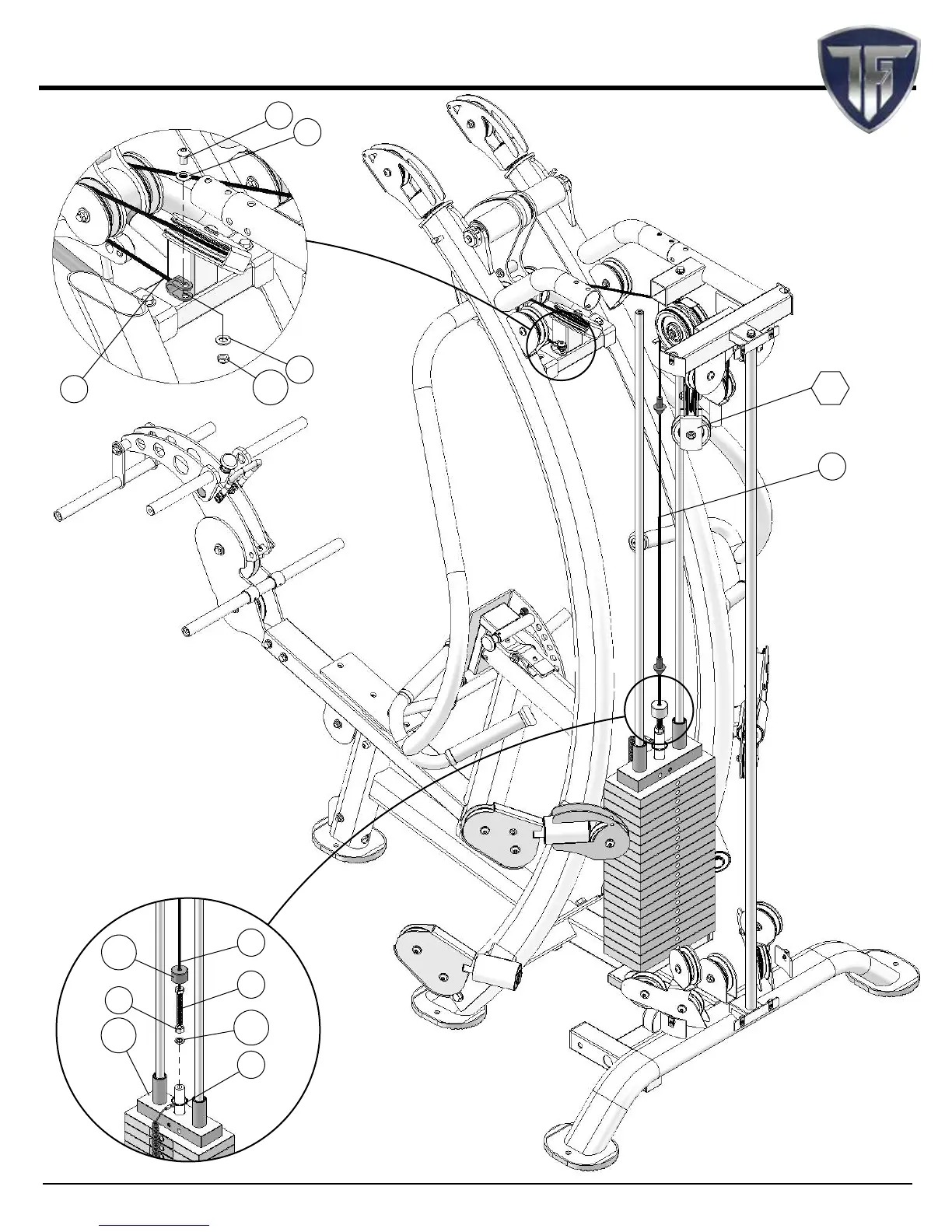
Step 11 Press Bar Cable
30
*28
42
97
30
124
81
142
151
85
107
96
85
30

Related product manuals