EasyManua.ls Logo

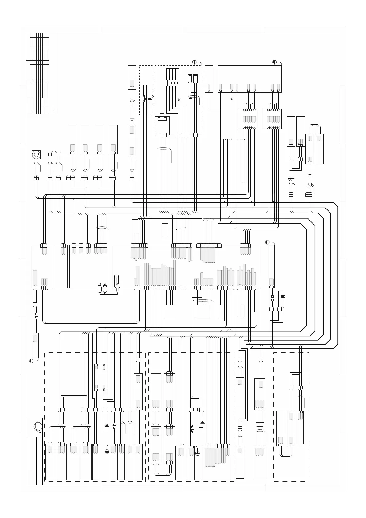
UNIS DYNAMIC ORBS - Wiring Diagram

UNIS DYNAMIC ORBS
28 pages
Print Icon
To Next Page IconTo Next Page
To Next Page IconTo Next Page
To Previous Page IconTo Previous Page
To Previous Page IconTo Previous Page
Loading...
1
1
2
2
3
3
4
4
5
5
6
6
7
7
8
8
D D
C C
B B
A A
Name:
Date:
Version:
2023-08-16
1
2
3
4
5
6
7
8
9
A
B
C
D
E
F
G
H
I
brown
red
orange
yellow
green
blue
violet
grey
white
black
pink
light green
sky blue
shield layer
J
K
L
M
N
O
P
Q
AWG30 UL1007
AWG28 UL1007
AWG26 UL1007
AWG24 UL1007
AWG22 UL1007
AWG20 UL1007
AWG18 UL1007
AWG16 UL1007
Note: Wire color and wire size is shown in code.
Wire color code
Wire size code
Tolerance
unit mm
scale
:
0~1000
1001~2000
2001~3000
3001~4000
4001~5000
±10
±20
±30
±40
±50
j
k
L
m
n
o
p
q
r
AWG30 UL1015
AWG28 UL1015
AWG26 UL1015
AWG24 UL1015
AWG22 UL1015
AWG20 UL1015
AWG18 UL1015
AWG16 UL1015
AWG14 UL1015
Wire size code
Example 2 0 m
Color of the wire: 20 means red
Size of the wire: m means AWG24 UL1015
Universal Space
Amusement machine
UNIS
U3-MB.PCBV1.0
U3 mainboard
3
2
1
4
5
6
7
8
3
2
1
4
5
6
7
8
P
J20
3
2
1
4
5
VH
3
2
1
4
5
J1
3
2
1
4
5
6
7
8
J17
3
2
1
4
5
6
7
8
VH
3
2
1
4
5
6
7
8
10
9
11
12
13
14
15
16
17
18
19
20
3
2
1
4
5
6
7
8
10
9
11
12
13
14
15
16
17
18
19
20
YY1820DH20
J23
Start button
Send big ball sensor
Small ball drop detect
Swing rod motor
Tik drive
Tik feedback
12V
GND
1
2
3
4
5
6
7
8
9
3
2
1
4
5
6
7
8
9
XH
12V
12V
LAT
CLK
DAT
GND
GND
E
20M
40M
50M
A0M
60M
J7
5x24AWG shield wire
90
GND
GND
GND
12V
12V
3
2
1
XH
3
2
1Motor drive board TX
Motor drive board RX
GND
J12
80M
90M
91M
92M
93M
94M
95M
96M
97M
98M
25M
F3
F2
F1
F4
F5
F6
FUSE BOARD 02
V1.0
CN1 CN2
320W-12V
Power supply
GND
12V
40Px3 40P
40P
40P
40P
12V
40Px3
40P
40P
F1
F2
F3
F4
F5
F6
F1
F2
F3
F4
F5
F6
FUSE BOARD 02
V1.0
CN1 CN2
F1
F2
F3
F4
F5
F6
F1
F2
F3
F4
F5
F6
40P
40P
40P
40Px3
F9
F8
F7
Fuse board 2
F10
F11
F12
12V
Motor control board
GND
RX
TX
12V
GND
20
10
A0
Send ball motor-
Send ball motor+
DMD-MB.PCB
46P
A0P
40P
10P
2
1
2
1
VH
J2
3
2
1
3
2
1
3
2
1
VH
3
2
1
XH
J1
J5
J12
2
1
HM
2
1
HF
40Px2
Amplifier
A1.PCB
DC+
DC-2
1
2
1
VH
J1
A0
26
R
Rred
L
Lwhite
U3 mainboard
Amplifier, Fan
Prize out light, L&R light, L&R speaker light
Top light, Prize decal light
Swing rod motor, Arc light, Turntable prizing light, Sensor board(with light), Drop ball sensor.
Pushing plate motor, pushing plate light control board, Control panel light
Bonus Plate Ball-out
Motor control board, 16 road extension board
12x5
14x3
42Px2
16x5
24x3
25x3
26x2
41P
46Px240P
40P
40P
40Px3
12V
40P
40P
A0P
A0P
Turntable drop ball sensorArc lightSensor board(with light)Turntable prizing light
U3 mainboardA0Px3
2
1
Send ball motor
FUSE-5A
12V
GND
10
20
30
40
60
2
1
Swing rod motor
J23
2
1
HM
2
1
HF
12V
GND
Relay
4
3
2
1
MGR-1 DD220D10
42P
41P
24
40
2
1
Bonus plate ball out
J33
2
1
HM
2
1
HF
12V
GND
42P
A0P
3
2
1
3
2
1
XH
12V
GND
SN
Bonus plate reset sensor
3
2
1
3
2
1
XH
12V
GND
SN
Bonus plate running sensor
3
2
1
3
2
1
XH
12V
GND
SN
Bonus plate prizing sensor
12V
GND2
1
2
1
XH
Bonus plate prizing shoot
Bonus plate assy
3
2
1
3
2
1
XH
Turntable light
12V
GND
SN 3
2
1
3
2
1
XH
12V
GND
SN 3
2
1
3
2
1
XH
Turntable light
12V
GND
SN 3
2
1
3
2
1
XH
12V
GND
SN
Turntable light
3
2
1
3
2
1
XH
12V
GND
SN 3
2
1
3
2
1
XH
Turntable light
12V
GND
SN 3
2
1
3
2
1
XH
12V
GND
SN
Turntable
J18
3
2
1
4
5
6
7
8
9
VH
3
2
1
4
5
6
7
8
9
Push plate motor
Ctrl side light
Prize side light
12V
Top lighting
24
Bonus plateReset sensor,Turning sensor, Prizing sensor)
L&R lightPrize drop detect
R+
R-
L+
L-2
1
2
1
VH
2
1
2
1
VH
J5
J4
50
90
40
70
φ4mmPVC pipe
Li
Lo
Ri
Ro
GND
GND
E
20M
40M
50M
A0M
4x24AWG shield wire
3
2
1
4
5
6
XH
3
2
1
4
5
6
VOL2
1N4007
3
2
1
C
D3
3
2
1
P
16x2
3
2
1
4
5
6
7
8
10
9
11
12
3
2
1
4
5
6
7
8
10
9
11
12
XH
J19
Push Big ball sensor
J02
2
1
C
2
1
P
2
1
Prize out side light
12V
GND
3
2
1
3
2
1
XH
12V
GND
SN
turntable drop ball sensor
PX-00-02
PX-00-02
Earth
Earth
Start button light
Start button
30
24
97
A0
2
1
Ctrl. side light
2
1
2521HM
2
1
2521HF
12V
GND
Start button assy.
93
Prize
91
92
93
92
93
94
95
96
97
30
40
50
24
A0
12
A0
25M
12
A0
10
26
27
12
A0
30
12
A0
2
1
2
1
12V
GND
12V
GND
J50
2
1
2521HM
2
1
2521HF
2
1
12V
GND
2
1
Bonus lighting
12V
GND
2
1
Bonus display light
2
1
2521HM
2
1
2521HF
12V
GND
J35
20
12 24
A0
φ4mmPVC pipe
24
A0
φ4mmPVC pipe
20P
A0P
90
16
A0
90
16
A0
90
16
A0
90
16
A0
90
16
A0
90
16
A0
90
16
A0
16
A0
93M
70
97x2
97
16
42P
70P
70P20
A0
24 24
24x2
93x2
25
92
24
A0
10
20
A0
V1.0
HZPDP-PX-00-01
Dynamic Orbs GMP Wiring Diagram 1
47Px2+27
A0
φ4mmPVC pipe
FUSE-5A
Fuse board 1
20P
A0P
20P
A0P
24
A0
2
1
Bonus plate motor
J34
2
1
HM
2
1
HF
12V
GND
30x2
Earth
20P
A0P
12x2
1N4007D4
3
2
1
C
3
2
1
P
30
12
FUSE-5A
3
2
1
4
C
3
2
1
4
P
12x2
A0x2
25M
10
12
A0
25M
26
J36
3
2
1
C
3
2
1
P
J37
in out in
in
out
outin
30
12
A0
27
3
2
1
4
5
6
7
8
10
9
3
2
1
4
5
6
7
8
10
9
P
J21
12V
Test
Reset
Service
Settings
GND
Coin counter
Ticket counter
Counter
A0M
A0M
A0M
A0Mx4
000018
Coin counter
000018
Ticket counter
Settings
Test
Reset
K1
K2
K3
Wiring cap
50K
VR.PCB
3
2
1
4
5
6
CN1
Volumn POT
E
20M
40M
50M
A0M
4x24AWG shield wire
20Mx2
A0M
A0M
A0
10M
20M
30M
3
2
1
4
5
6
XH
Earth
J10
91
92
10M
20M
A0
91
92
10M
20M
30M
GND
3
2
1
4
5
6
7
8
10
9
C
3
2
1
4
5
6
7
8
10
9
P
TestA0M K4
40M
40M40M
50
90
50
90L speaker
R speaker
φ4mmPVC pipe
50
90
50
90
PX-00-02
2
1
Deep light
12V
GND
J48
2
1
2521HM
2
1
2521HF
42P
A0P20
A0
Prize decal light
24
12V
GND
L side light
24
A0
24
A0
2835 blue light strip-1300mm 3
2
1
C2521HM
12V
GND
R side light
24
A0
φ4mmPVC pipe
24
A0
24
A0
2835 blue light strip-1300mm 3
2
1
C2521HM
2
1
Prize light
12V
GND
24
A0
2835 blue light strip-775mm
A0x10A0P
2
1
12V
GND
2
1
Ctrl. side light
12V
GND
5050 blue light strip-1200mm5050 blue light strip-200mm
3
2
1
4
5
6
7
8
10
9
11
12
3
2
1
4
5
6
7
8
10
9
11
12
XH
Sensor board with light
12V
GND
16
A0
92
93
94
95
96
Turntable 1# sensor
Turntable 2# sensor
Turntable 3# sensor
Turntable 4# sensor
Turntable 5# sensor
94M
95M
96M
97M
98M
PX-00-02
Bonus plate(Lights,Display light,Motor, Hole light, Reset sensor,Turning sensor, Prizing sensor)
2
1
2
1
2
1
Push plate motor
J16
2
1
HM
2
1
HF
12V
GND
1N4007
D1
3
2
1
C
3
2
1
P
91x2
Earth
20P
A0P
91
25x2
25
FUSE-5A
2
1
2
1
VH
12V
GND
J2
A0P
46P
Output16B-Ext.PCB
16 road extension board
12V
GND
L speaker light
24
A0
φ4mmPVC pipe
24
A0
2835 blue light strip-350mm
12V
GND
R speaker light
24
A0
φ4mmPVC pipe
24
A0
24
A0
2
1
2
1
Deep side light
2
1
12V
GND
2835 blue light strip-350mm
24
A0
24
A0
φ4mmPVC pipe
24
A0
J30
20
A0 20
A0
J31
2
1
4501HM
2
1
4501HF
50
80
97
2
1
Bonus plate hole light
2
1
2521HM
2
1
2521HF
12V
GND
J32
50
12 24
A0
φ4mmPVC pipe
A0x2
A0
12V
GND
24
A0
24x2
A0x2
2
1
2521HM
2
1
2521HF
J26
10
12 20
A0
2
1
Bonus lighting
12V
GND
2
1
12V
GND
300MM long light board white300MM long light board white
2835白光灯带-400mm
5050白光灯带-50mm
20
A0
20
A0
24
A0
24
A0
24
A0
80
A0
80
A0
2
1
C
2
1
P
J29
J42
2
1
C
2
1
P
3
2
1
C2521HF
3
2
1
C2521HF
24x2
A0x2
J27
J28
J40
J41
PX-00-02
Arc light
2
1
5050 white light strip-1100mm
12V
GND
J24
2
1
C
2
1
P
24
A0
16x2
A0x2
24
A0
φ4mmPVC
100MM long light board white
3
2
1
4
C2521HM/4P
3
2
1
4
C2521HF/4P
20
A0
20
A0
Fan 2
1
C
2
1
P
J43
26
A0
φ4mmPVC pipe
3
2
1
4
C2521HM/4P
3
2
1
4
C2521HF/4P
J44
2
1
2521HM
2
1
2521HF
φ4mmPVC pipe
24
A0
3
2
1
4501HM
3
2
1
4501HF
φ4mmPVC pipe
50
90
40
70
24
2
1
Light control board
12V
GND
3
2
1
4
12V
R
G
B
A0
20
3
2
1
4
12V
R
G
B
Push plate RGB
5050RGB lights trip -2350mm
J13
2
1
2521HM
2
1
2521HF
A0
20
A0
20
50
60
J14
3
2
1
4
C2521HM
3
2
1
4
C2521HF
24
20
50
60
φ6mmPVC pipe
24
20
50
60
25
A0
pushing plate light control board
GND
GND
Bonus Plate Ball-outA0Px4
20x2
A0x2 20
A0
φ4mmPVC pipe
20
A0
<1>
<1>
<10>
<10>
<2>
<12>
<3>
<15>
HZPD-IR5L15.PCB V1.0
EMJ-IR01.PCB V1.0
HZPD-6812L18.PCB V1.0
HZPD-6812L18.PCB V1.0
HZPD-6812L18.PCB V1.0
HZPD-6812L18.PCB V1.0
IR-RT1.PCB V1.0
MOC70T4.PCB V1.2
MOC70T4.PCB V1.2
Arc light
2
1
5050 white light strip-750mm
12V
GND
J25
2
1
C
2
1
P
16
A0
24
A0
24
A0
φ4mmPVC pipe
12x2
A0x2
<2>
<3>
<3>
<5>
<7>
40P
10P
<8>
<16>
<16>
<16>
<16>
<16>
<16>
<16>
<16>
φ4mmPVC pipe
PX-00-03
Turntable RGB lightCtrl bottom lightMarquee rotation motor
48Px2+28x4 Turntable motor, Pushing big ball motor board, Marquee reset senso
Big ball drop sensor, Sending big ball sensor.
Small ball drop detect, Sending small ball sensor
Marquee rotation motor
Spiral track light
Ctrl bottom side light
94
95
96
PX-00-02
Sending big ball motor boardSpiral track light
2
1
2521HM
2
1
2521HF
J49
2
1
2521HM
2
1
2521HF
20
A0
20
A0
30Mx2
GND
A0P
320W-12V
Power supply
2835 blue light strip-525mm
2835 blue light strip-600mm
PX-00-03
Full big ball sensor
Marquee rotation reset sensor
70M
60M
2
1
12V
GND
100MM long light board white
2
1
12V
GND
J03
J09
Amplifier, Fan
Motor control board, 16 road extension board
Top lighting 2
Top lighting 1
300MM long light board white
300MM long light board white
Bonus lighting
Bonus plate ball out
Bonus plate motor
Bonus display light
Turntable light R
Turntable light G
Turntable light B
Bonus plate hole light
Turntable 1#light
Turntable 2#light
Turntable 3#light
Turntable 4#light
Turntable 5#light
Start button light
Out of tik light Turntable light
Send small ball sensor
turntable drop ball sensor
Turntable 1# sensor
Turntable 2# sensor
Turntable 3# sensor
Turntable 4# sensor
Turntable 5# sensor
Bonus plate reset sensor
Bonus plate running sensor
Bonus plate prizing sensor
Turntable 1#light
Turntable 2#light
Turntable 3#light
Turntable 4#light
Turntable 5#light
Prize light

Related product manuals