EasyManua.ls Logo

Unitech HT630 - Chapter 3 Operation; 3.1 Ready Mode

Unitech HT630
36 pages
Print Icon
To Next Page IconTo Next Page
To Next Page IconTo Next Page
To Previous Page IconTo Previous Page
To Previous Page IconTo Previous Page
Loading...
Chapter 3
Operation
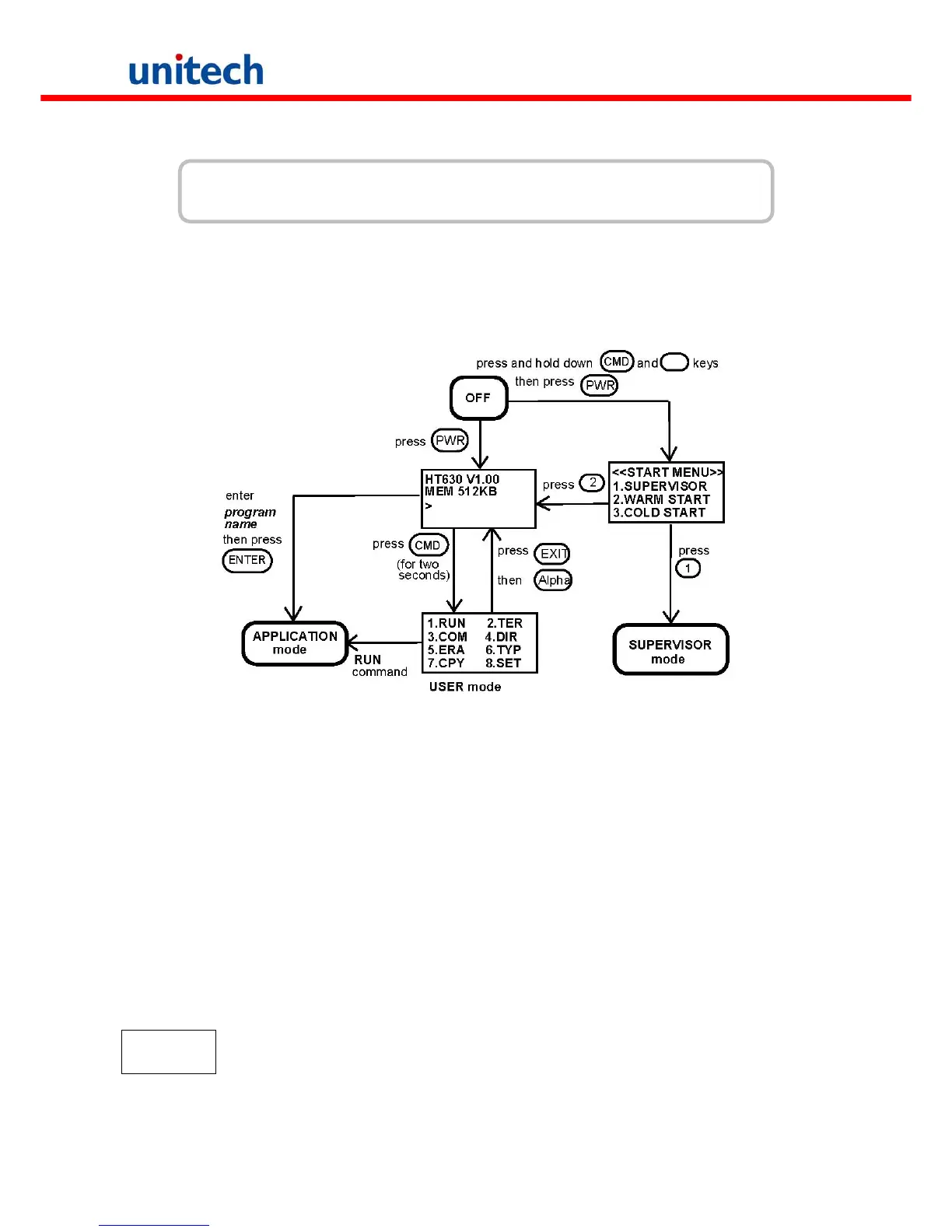
The HT630 is set up several operating modes. The system of terminal may operate in various modes for
different purposes. The figure below shows the operating flow of the terminal. The following diagram
summarized these operating modes to switch between different modes.
System configurations are categorized in two groups, users can select “8.SET” command in User mode to set
general system configurations or enter Supervisor mode to set advanced system configurations. The
Supervisor mode is also protected with password checking to prevent unauthorized personnel from
changing the system configuration.
(For HT630 detail setup procedures please refer to HT630 Technical Binder). It is likely that your unit
came pre-configure by your software vender or system developer. In this case, please be caution when
changing these settings.
3.1 Ready Mode
The terminal performs a Power-On-Test and Warm-Start when it is switched on. After the Warm Start, the
system enters Ready mode and shows the Ready mode prompt.
Ready mode
prompt
HT630 Vx.xx
MEM 4608 KB
>
The first line indicates the model code and version number (e.g. V1.00). The second line
shows the size of the total installed RAM (i.e. 4608 KB). The third line prompts a ">" which
indicates that the terminal passed the Power-on-test and is ready to be used.
Copyright 2008 Unitech Electronics Co., Ltd. All rights reserved. Unitech is a registered trademark of Unitech Electronics Co., Ltd.
11

Other manuals for Unitech HT630

Related product manuals