EasyManua.ls Logo

Universal Audio 1176LN - Page 30

Universal Audio 1176LN
39 pages
Print Icon
To Next Page IconTo Next Page
To Next Page IconTo Next Page
To Previous Page IconTo Previous Page
To Previous Page IconTo Previous Page
Loading...
The Technical Stuff
_____________________________________________________________
30
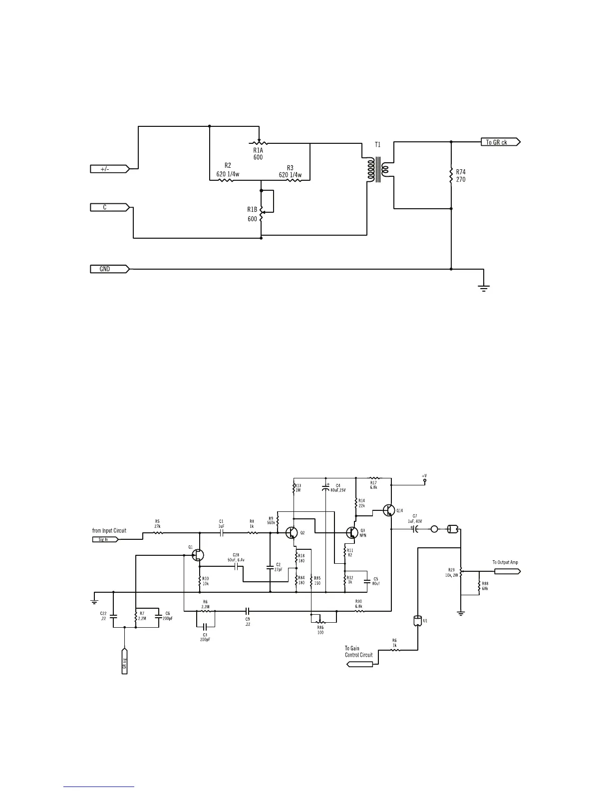
Input Section
Figure 2 - Input Section
As shown in Figure 2, the 1176LN input section is comprised of an adjustable passive attenuator
followed by a transformer. The purpose of this section is to reduce the signal level so as not to
overdrive the FET based gain reduction stage. Additionally, the adjustable input level is used to control
the amount of compression. This input circuit was used in Revisions A-F. With Revision G, a
differential op-amp input instead of the attenuator / transformer input stage was used.
Gain Reduction Stage
Figure 3 - Gain Reduction Stage

Other manuals for Universal Audio 1176LN

Related product manuals