EasyManua.ls Logo

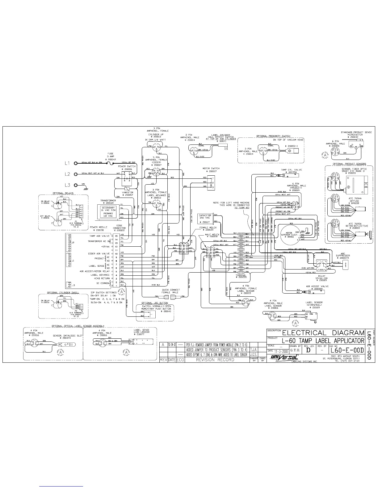
Universal L60 - ELECTRICAL DIAGRAM (L60-E-00 D); L-60 TAMP LABEL APPLICATOR Wiring

Universal L60
70 pages
Print Icon
To Next Page IconTo Next Page
To Next Page IconTo Next Page
To Previous Page IconTo Previous Page
To Previous Page IconTo Previous Page
Loading...