EasyManua.ls Logo

Upright SB60 - HOSE KIT - GENERATOR OPTION

Upright SB60
179 pages
Print Icon
To Next Page IconTo Next Page
To Next Page IconTo Next Page
To Previous Page IconTo Previous Page
To Previous Page IconTo Previous Page
Loading...
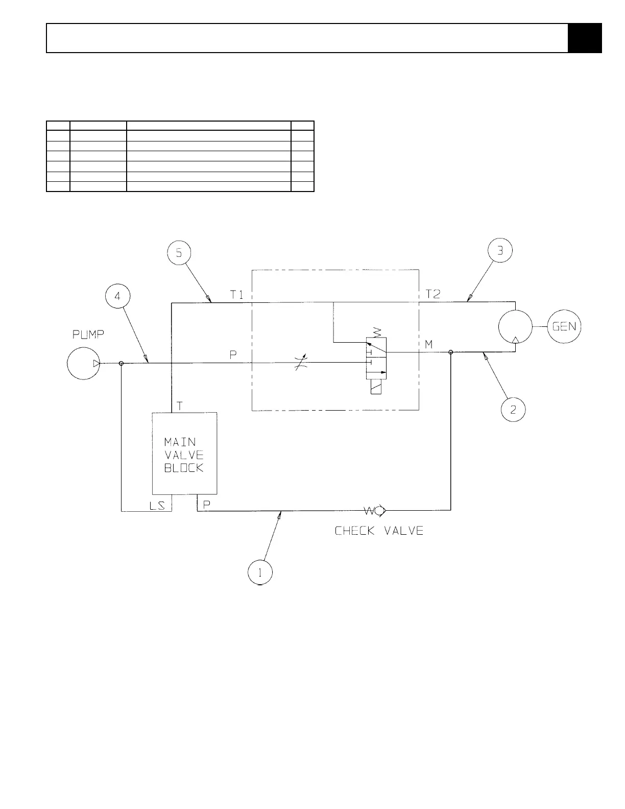
Illustrated Parts Breakdown
Section
SB60 Work Platform 6-85
6.2
HOSE KIT - GENERATOR OPTION
100447-000
ITEM PART DESCRIPTION QTY.
1 060861-001 ALARM - 112 DB 1
2 060861-049 CONN. F PUSH 16-14 GA 1
3 060861-063 WIRE 16 GA BLK 1
4 060861-074 SCREW HHC 1/4-20 UNC X 1/2 1
5 060861-076 WASHER, FLAT 1/4 1
6 060861-103 CONN. M PUSH 16-14 GA 1

Related product manuals