EasyManua.ls Logo

urmet domus 788/21 - Scout Camera System Video Door Phone Replacements (CCD)

urmet domus 788/21
24 pages
Print Icon
To Next Page IconTo Next Page
To Next Page IconTo Next Page
To Previous Page IconTo Previous Page
To Previous Page IconTo Previous Page
Loading...
BASIC SYSTEM DIAGRAMS
INSTRUCTIONS FOR URMET DOMUS DEVICE INTERCHANGEABILITY
10
−−−−
sec.1f
DOOR PHONE - VIDEO DOOR PHONE SYSTEMS: Installation Diagrams
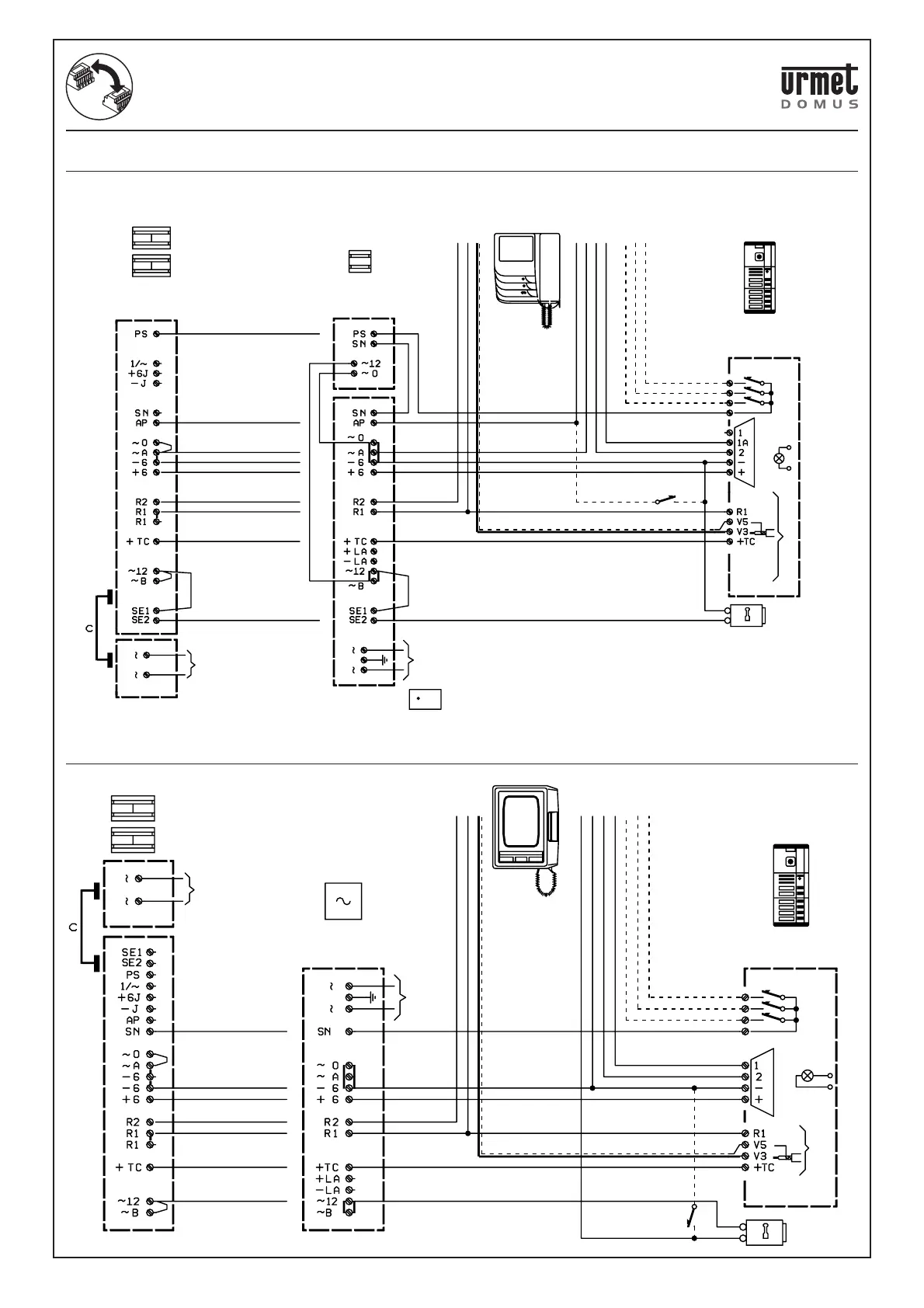
REPLACING VIDEO DOOR PHONE POWER UNIT Ref. 7073, Ref. 7073/1
AND Ref. 7073/2 WITH Ref. 789/1A
SCOUT AND CAMERA SYSTEMS (CCD CAMERA ONLY)
The Ref. 787/1 tone generator is not used because it is replaced by a generator inside the Ref. 789/1 A power unit.
Connect jumpers SE1, ~12 during installation.
SV102-0583A
SENTINEL, EXPLORER AND RANGER AND CAMERA SYSTEMS (CCD CAMERA ONLY)
SV102-0582A
POWER SUPPLY
Ref.789/1A
(110/230V)
MAINS ~
MAINS ~
VOLTAGE
UNIT
ELECTRONIC
UNIT
VIDEO
POWER SUPPLY
Ref.7073/1
LOCK
RELEASE
ELECTRIC
LOCK
CCD TV CAMERA UNIT
PUSH BUTTON
PANEL
L.U.
TV CAMERA UNIT
TONE
GENERATOR
Ref.787/1
POWER SUPPLY
Ref.789/1A
(110/230V)
MAINS ~
MAINS ~
VOLTAGE
UNIT
ELECTRONIC
UNIT
VIDEO
POWER SUPPLY
Ref.7073/1
LOCK
RELEASE
ELECTRIC
LOCK
CCD TV CAMERA UNIT
PUSH BUTTON
PANEL
L.U.
TV CAMERA UNIT

Related product manuals