EasyManua.ls Logo

urmet domus 788/21 - Sentinel Camera System Video Door Phone Replacements (CCD); Sentinel Vidicon Camera System Video Door Phone Replacements

urmet domus 788/21
24 pages
Print Icon
To Next Page IconTo Next Page
To Next Page IconTo Next Page
To Previous Page IconTo Previous Page
To Previous Page IconTo Previous Page
Loading...
INSTRUCTIONS FOR URMET DOMUS DEVICE INTERCHANGEABILITYBASIC SYSTEM DIAGRAMS
sec.1f
−−−−
11
DOOR PHONE - VIDEO DOOR PHONE SYSTEMS: Installation Diagrams
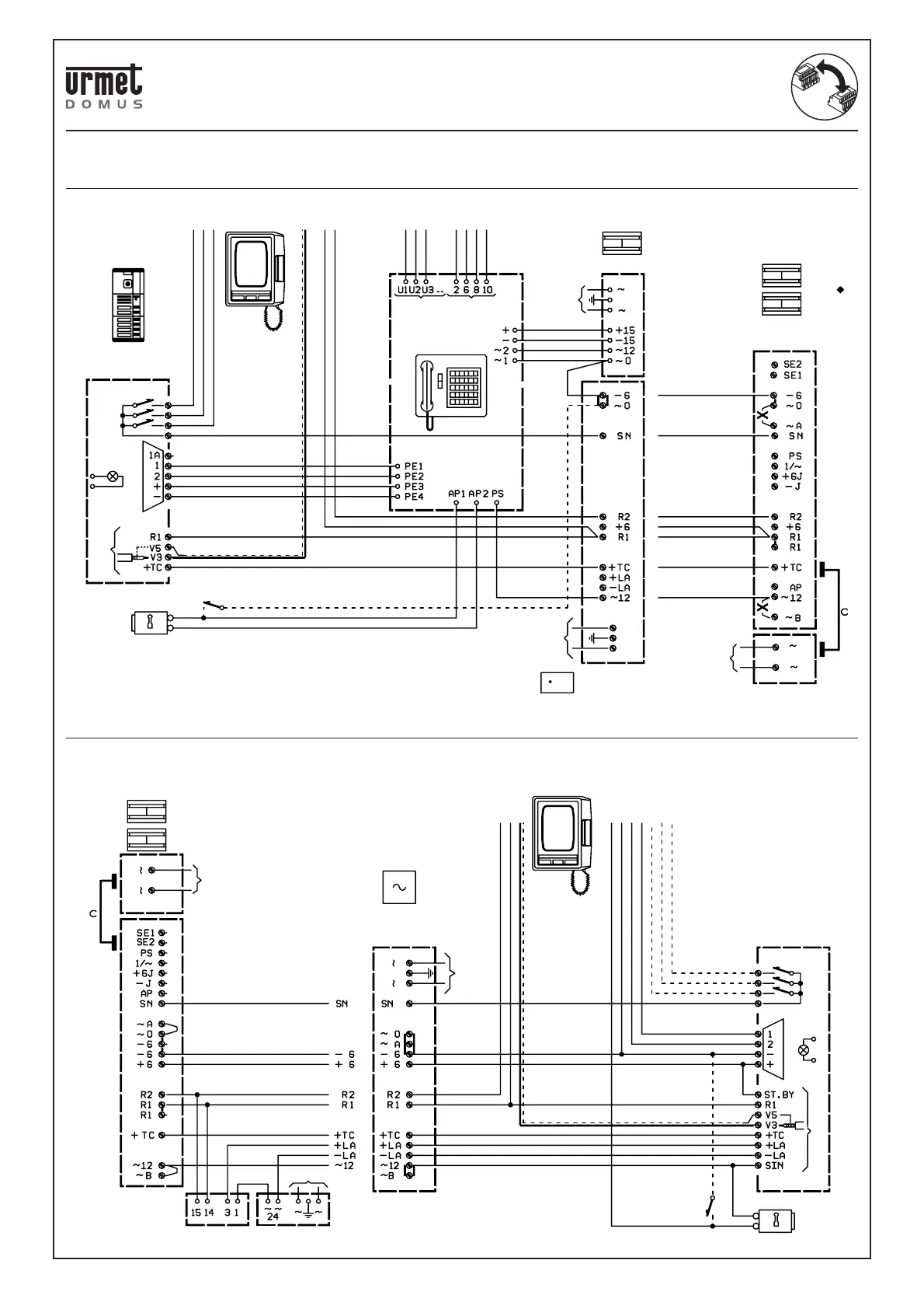
SENTINEL, EXPLORER AND RANGER WITH SWITCHBOARD AND CAMERA SYSTEMS (CCD CAMERA
ONLY)
Cut the existing jumpers between terminals ~ A, ~0 and between ~B, ~12 of the Ref. 789/1A power unit during installation.
SV102-0584A
SENTINEL, EXPLORER AND RANGER AND CAMERA SYSTEMS (VIDICON CAMERA)
The Ref. 789/1A power unit is not provided with +LA and -LA outputs. An auxiliary ~24 V transformer, minimum 24 W (not included), and
Ref. 788/5 control relay is needed to power the lights.
SV102-0655A
REPLACING VIDEO DOOR PHONE POWER UNIT Ref. 7073, Ref. 7073/1
AND Ref. 7073/2 WITH Ref. 789/1A
POWER SUPPLY
Ref.789/1A (110/230V)
POWER SUPPLY Ref.786/3
MAINS ~
MAINS ~
MAINS ~
VOLTAGE
UNIT
ELECTRONIC
UNIT
VIDEO
POWER SUPPLY
Ref.7073/1
LOCK
RELEASE
ELECTRIC
LOCK
CCD TV CAMERA UNIT
PUSH BUTTON
PANEL
L.U.
TV CAMERA UNIT
NOTE
COMMONSSINGLES
STANDARD
HOUSE
SWITCHBOARD
POWER SUPPLY
Ref.789/1
(110/230V)
VIDEO
POWER SUPPLY
Ref.7073/1
MAINS ~
MAINS ~
MAINS ~
VOLTAGE
UNIT
ELECTRONIC
UNIT
ELECTRIC
LOCK
PUSH BUTTON
PANEL
L.U.
TV CAMERA UNIT
LOCK
RELEASE
VIDICON TYPE
TV CAMERA
TRANSFORMER
24V~ 25W
RELAY
Ref.9332/5

Related product manuals